Views: 17 Author: Monica Publish Time: 2026-02-11 Origin: Site
ASME B16.47 is a standard for large steel pipe flanges developed by the American Society of Mechanical Engineers. Its full name is *Large Diameter Steel Flanges: NPS 26 through NPS 60, Metric/Inch Standard*. It specifically addresses large flanges with pipe diameters of NPS 26 to NPS 60 (DN 650 to DN 1500), specifying pressure-temperature ratings, materials, dimensions, tolerances, marking, and testing requirements.

ASME B16.47 is divided into two series: Series A (corresponding to the former MSS SP-44) and Series B (corresponding to the former API 605, now cancelled). The two series are dimensionally incompatible and cannot be used interchangeably.
Applicable types: Primarily weld neck flanges (WN) and blind flanges (BL).
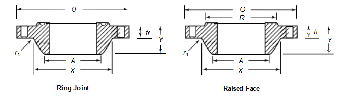
Sealing surface type: Raised Face (RF) is the standard configuration. Series A also explicitly defines Ring Type Joint (RTJ) flanges for Class 300–900; Series B does not define RTJ.
Pressure rating: Class 150, 300, 400, 600, 900.
Physical characteristics: The flanges are thicker, heavier, and stronger. They have larger bolt diameters, requiring fewer bolts but with larger diameters, allowing them to withstand greater external loads and bending moments, making them suitable for high-strength, heavy-duty applications.
Cost and weight: More expensive and heavier than Series B, resulting in higher transportation and installation costs.

| Minimum Thickness of Flange, tf [Note (1)] | Hub Data | Raised Face | Drilling | Radius | Length of Bolts, L [Notes (4), (5)]Stud Bolts | ||||||
| O.D. of Flange, O | Weld Neck Flange | Length Through Hub, Y | Diam. of Hub, X [Note (2)] | Hub Diam. Top, A [Note (3)] | Raised Face Diam., R | Diam. of Bolt Circle | No. of Bolt Holes | Diam. of Bolt Hole, in. | Diam. of Bolt, in. | Minimum Fillet Radius, r1 | Raised Face 1.6 mm |
| 870 | 66.8 | 119 | 676 | 660.4 | 749 | 806.4 | 24 | 1 3∕8 | 1 1∕4 | 10 | 225 |
| 927 | 69.8 | 124 | 727 | 711.2 | 800 | 863.6 | 28 | 1 3∕8 | 1 1∕4 | 11 | 230 |
| 984 | 73.2 | 135 | 781 | 762 | 857 | 914.4 | 28 | 1 3∕8 | 1 1∕4 | 11 | 235 |
| 1 060 | 79.5 | 143 | 832 | 812.8 | 914 | 977.9 | 28 | 1 5∕8 | 1 1∕2 | 11 | 265 |
| 1 111 | 81 | 148 | 883 | 863.6 | 965 | 1 028.7 | 32 | 1 5∕8 | 1 1∕2 | 13 | 270 |
| 1 168 | 88.9 | 156 | 933 | 914.4 | 1 022 | 1 085.8 | 32 | 1 5∕8 | 1 1∕2 | 13 | 285 |
| 1 238 | 85.9 | 156 | 991 | 965.2 | 1 073 | 1 149.4 | 32 | 1 5∕8 | 1 1∕2 | 13 | 280 |
| 1 289 | 88.9 | 162 | 1 041 | 1 016.0 | 1 124 | 1 200.2 | 36 | 1 5∕8 | 1 1∕2 | 13 | 285 |
| 1 346 | 95.2 | 170 | 1 092 | 1 066.8 | 1 194 | 1 257.3 | 36 | 1 5∕8 | 1 1∕2 | 13 | 300 |
| 1 403 | 100.1 | 176 | 1 143 | 1 117.6 | 1 245 | 1 314.4 | 40 | 1 5∕8 | 1 1∕2 | 13 | 305 |
| 1 454 | 101.6 | 184 | 1 197 | 1 168.4 | 1 295 | 1 365.2 | 40 | 1 5∕8 | 1 1∕2 | 13 | 310 |
| 1 511 | 106.4 | 191 | 1 248 | 1 219.2 | 1 359 | 1 422.4 | 44 | 1 5∕8 | 1 1∕2 | 13 | 320 |
| 1 568 | 109.7 | 202 | 1 302 | 1 270.0 | 1 410 | 1 479.6 | 44 | 1 7∕8 | 1 3∕4 | 13 | 340 |
| 1 626 | 114.3 | 208 | 1 353 | 1 320.8 | 1 461 | 1 536.7 | 44 | 1 7∕8 | 1 3∕4 | 13 | 350 |
| 1 683 | 119.1 | 214 | 1 403 | 1 371.6 | 1 511 | 1 593.8 | 44 | 1 7∕8 | 1 3∕4 | 13 | 360 |
| 1 746 | 122.4 | 227 | 1 457 | 1 422.4 | 1 575 | 1 651.0 | 48 | 1 7∕8 | 1 3∕4 | 13 | 365 |
| 1 803 | 127 | 233 | 1 508 | 1 473.2 | 1 626 | 1 708.2 | 48 | 1 7∕8 | 1 3∕4 | 13 | 380 |
| 1 854 | 130.3 | 238 | 1 559 | 1 524.0 | 1 676 | 1 759.0 | 52 | 1 7∕8 | 1 3∕4 | 13 | 380 |

| Nominal Pipe Size | O.D. of Flange, O | Blind Flange | Raised Face Diam., R | Diam. of Bolt Circle | No. of Bolt Holes | Diam. of Bolt Hole, in. | Diam. of Bolt, in. | Raised Face 1.6 mm |
| 26 | 870 | 66.8 | 749 | 806.4 | 24 | 1 3∕8 | 1 1∕4 | 225 |
| 28 | 927 | 69.8 | 800 | 863.6 | 28 | 1 3∕8 | 1 1∕4 | 230 |
| 30 | 984 | 73.2 | 857 | 914.4 | 28 | 1 3∕8 | 1 1∕4 | 235 |
| 32 | 1 060 | 79.5 | 914 | 977.9 | 28 | 1 5∕8 | 1 1∕2 | 265 |
| 34 | 1 111 | 81 | 965 | 1 028.7 | 32 | 1 5∕8 | 1 1∕2 | 270 |
| 36 | 1 168 | 88.9 | 1 022 | 1 085.8 | 32 | 1 5∕8 | 1 1∕2 | 285 |
| 38 | 1 238 | 85.9 | 1 073 | 1 149.4 | 32 | 1 5∕8 | 1 1∕2 | 280 |
| 40 | 1 289 | 88.9 | 1 124 | 1 200.2 | 36 | 1 5∕8 | 1 1∕2 | 285 |
| 42 | 1 346 | 95.2 | 1 194 | 1 257.3 | 36 | 1 5∕8 | 1 1∕2 | 300 |
| 44 | 1 403 | 100.1 | 1 245 | 1 314.4 | 40 | 1 5∕8 | 1 1∕2 | 305 |
| 46 | 1 454 | 101.6 | 1 295 | 1 365.2 | 40 | 1 5∕8 | 1 1∕2 | 310 |
| 48 | 1 511 | 106.4 | 1 359 | 1 422.4 | 44 | 1 5∕8 | 1 1∕2 | 320 |
| 50 | 1 568 | 109.7 | 1 410 | 1 479.6 | 44 | 1 7∕8 | 1 3∕4 | 340 |
| 52 | 1 626 | 114.3 | 1 461 | 1 536.7 | 44 | 1 7∕8 | 1 3∕4 | 350 |
| 54 | 1 683 | 119.1 | 1 511 | 1 593.8 | 44 | 1 7∕8 | 1 3∕4 | 360 |
| 56 | 1 746 | 122.4 | 1 575 | 1 651.0 | 48 | 1 7∕8 | 1 3∕4 | 365 |
| 58 | 1 803 | 127 | 1 626 | 1 708.2 | 48 | 1 7∕8 | 1 3∕4 | 380 |
| 60 | 1 854 | 130.3 | 1 676 | 1 759.0 | 52 | 1 7∕8 | 1 3∕4 | 380 |

| Pipe | Minimum Thickness of Flange, tf [Note (1)] | Hub Data | Raised Face | Drilling | Radius | Length of Bolts, L [Notes (4), (5)]Stud Bolts | ||||||||
| Nominal Pipe Size | O.D. of Flange, O | Weld Neck Flange | Blind Flange | Length Through Hub, Y | Diam. of Hub, X [Note (2)] | Hub Diam. Top, A [Note (3)] | Raised Face Diam., R | Diam. of Bolt Circle | No. of Bolt Holes | Diam. of Bolt Hole, in. | Diam. of Bolt, in. | Minimum Fillet Radius, r1 | Raised Face 1.6 mm | Ring Joint |
| 26 | 972 | 78 | 82.6 | 183 | 721 | 660.4 | 749 | 876.3 | 28 | 1 3∕4 | 1 5∕8 | 10 | 270 | 290 |
| 28 | 1 035 | 84.3 | 88.9 | 195 | 775 | 711.2 | 800 | 939.8 | 28 | 1 3∕4 | 1 5∕8 | 11 | 280 | 300 |
| 30 | 1 092 | 90.7 | 93.7 | 208 | 827 | 762 | 857 | 997 | 28 | 1 7∕8 | 1 3∕4 | 11 | 300 | 320 |
| 32 | 1 149 | 97 | 98.6 | 221 | 881 | 812.8 | 914 | 1 054.1 | 28 | 2 | 1 7∕8 | 11 | 320 | 345 |
| 34 | 1 206 | 100.1 | 103.4 | 230 | 937 | 863.6 | 965 | 1 104.9 | 28 | 2 | 1 7∕8 | 13 | 330 | 350 |
| 36 | 1 270 | 103.4 | 109.7 | 240 | 991 | 914.4 | 1 022 | 1 168.4 | 32 | 2 1∕8 | 2 | 13 | 340 | 365 |
| 38 | 1 168 | 106.4 | 106.4 | 179 | 994 | 965.2 | 1 029 | 1 092.2 | 32 | 1 5∕8 | 1 1∕2 | 13 | 320 | ... |
| 40 | 1 238 | 112.8 | 112.8 | 192 | 1 048 | 1 016.0 | 1 086 | 1 155.7 | 32 | 1 3∕4 | 1 5∕8 | 13 | 340 | ... |
| 42 | 1 289 | 117.6 | 117.6 | 199 | 1 099 | 1 066.8 | 1 137 | 1 206.5 | 32 | 1 3∕4 | 1 5∕8 | 13 | 350 | ... |
| 44 | 1 353 | 122.4 | 122.4 | 205 | 1 149 | 1 117.6 | 1 194 | 1 263.6 | 32 | 1 7∕8 | 1 3∕4 | 13 | 365 | ... |
| 46 | 1 416 | 127 | 127 | 214 | 1 203 | 1 168.4 | 1 245 | 1 320.8 | 28 | 2 | 1 7∕8 | 13 | 380 | ... |
| 48 | 1 467 | 131.8 | 131.8 | 222 | 1 254 | 1 219.2 | 1 302 | 1 371.6 | 32 | 2 | 1 7∕8 | 13 | 390 | ... |
| 50 | 1 530 | 138.2 | 138.2 | 230 | 1 305 | 1 270.0 | 1 359 | 1 428.8 | 32 | 2 1∕8 | 2 | 13 | 410 | ... |
| 52 | 1 581 | 143 | 143 | 237 | 1 356 | 1 320.8 | 1 410 | 1 479.6 | 32 | 2 1∕8 | 2 | 13 | 420 | ... |
| 54 | 1 657 | 150.9 | 150.9 | 251 | 1 410 | 1 371.6 | 1 467 | 1 549.4 | 28 | 2 3∕8 | 2 1∕4 | 13 | 450 | ... |
| 56 | 1 708 | 152.4 | 152.4 | 259 | 1 464 | 1 422.4 | 1 518 | 1 600.2 | 28 | 2 3∕8 | 2 1∕4 | 13 | 450 | ... |
| 58 | 1 759 | 157.2 | 157.2 | 265 | 1 514 | 1 473.2 | 1 575 | 1 651.0 | 32 | 2 3∕8 | 2 1∕4 | 13 | 465 | ... |
| 60 | 1 810 | 160.1 | 160.1 | 272 | 1 565 | 1 524.0 | 1 626 | 1 701.8 | 32 | 2 3∕8 | 2 1∕4 | 13 | 475 | ... |
GENERAL NOTES:
(a) Dimensions are in millimeters unless otherwise noted.
NOTES:
(1) The minimum flange thickness does not include the raised face thickness.
(2) This dimension is for the large end of the hub, which may be straight or tapered.
(3) For welding and bevel.
(4) The length of the stud bolt does not include the height of the points.
(5) Bolt lengths not shown in the table may be determined in accordance with Nonmandatory Appendix D.

| Pipe | Minimum Thickness of Flange, tf [Note (1)] | Hub Data | Raised Face | Drilling | Radius | Length of Bolts, L [Notes (4), (5)]Stud Bolts | |||||||
| Nominal Pipe Size | O.D. of Flange, O | Weld Neck Flange | Length Through Hub, Y | Diam. of Hub, X [Note (2)] | Hub Diam. Top, A [Note (3)] | Raised Face Diam., R | Diam. of Bolt Circle | No. of Bolt Holes | Diam. of Bolt Hole, in. | Diam. of Bolt, in. | Minimum Fillet Radius, r1 | Raised Face 1.6 mm | Ring Joint |
| 26 | 972 | 78 | 183 | 721 | 660.4 | 749 | 876.3 | 28 | 1 3∕4 | 1 5∕8 | 10 | 270 | 290 |
| 28 | 1 035 | 84.3 | 195 | 775 | 711.2 | 800 | 939.8 | 28 | 1 3∕4 | 1 5∕8 | 11 | 280 | 300 |
| 30 | 1 092 | 90.7 | 208 | 827 | 762 | 857 | 997 | 28 | 1 7∕8 | 1 3∕4 | 11 | 300 | 320 |
| 32 | 1 149 | 97 | 221 | 881 | 812.8 | 914 | 1 054.1 | 28 | 2 | 1 7∕8 | 11 | 320 | 345 |
| 34 | 1 206 | 100.1 | 230 | 937 | 863.6 | 965 | 1 104.9 | 28 | 2 | 1 7∕8 | 13 | 330 | 350 |
| 36 | 1 270 | 103.4 | 240 | 991 | 914.4 | 1 022 | 1 168.4 | 32 | 2 1∕8 | 2 | 13 | 340 | 365 |
| 38 | 1 168 | 106.4 | 179 | 994 | 965.2 | 1 029 | 1 092.2 | 32 | 1 5∕8 | 1 1∕2 | 13 | 320 | ... |
| 40 | 1 238 | 112.8 | 192 | 1 048 | 1 016.0 | 1 086 | 1 155.7 | 32 | 1 3∕4 | 1 5∕8 | 13 | 340 | ... |
| 42 | 1 289 | 117.6 | 199 | 1 099 | 1 066.8 | 1 137 | 1 206.5 | 32 | 1 3∕4 | 1 5∕8 | 13 | 350 | ... |
| 44 | 1 353 | 122.4 | 205 | 1 149 | 1 117.6 | 1 194 | 1 263.6 | 32 | 1 7∕8 | 1 3∕4 | 13 | 365 | ... |
| 46 | 1 416 | 127 | 214 | 1 203 | 1 168.4 | 1 245 | 1 320.8 | 28 | 2 | 1 7∕8 | 13 | 380 | ... |
| 48 | 1 467 | 131.8 | 222 | 1 254 | 1 219.2 | 1 302 | 1 371.6 | 32 | 2 | 1 7∕8 | 13 | 390 | ... |
| 50 | 1 530 | 138.2 | 230 | 1 305 | 1 270.0 | 1 359 | 1 428.8 | 32 | 2 1∕8 | 2 | 13 | 410 | ... |
| 52 | 1 581 | 143 | 237 | 1 356 | 1 320.8 | 1 410 | 1 479.6 | 32 | 2 1∕8 | 2 | 13 | 420 | ... |
| 54 | 1 657 | 150.9 | 251 | 1 410 | 1 371.6 | 1 467 | 1 549.4 | 28 | 2 3∕8 | 2 1∕4 | 13 | 450 | ... |
| 56 | 1 708 | 152.4 | 259 | 1 464 | 1 422.4 | 1 518 | 1 600.2 | 28 | 2 3∕8 | 2 1∕4 | 13 | 450 | ... |
| 58 | 1 759 | 157.2 | 265 | 1 514 | 1 473.2 | 1 575 | 1 651.0 | 32 | 2 3∕8 | 2 1∕4 | 13 | 465 | ... |
| 60 | 1 810 | 160.1 | 272 | 1 565 | 1 524.0 | 1 626 | 1 701.8 | 32 | 2 3∕8 | 2 1∕4 | 13 | 475 | ... |
GENERAL NOTES:
(a) Dimensions are in millimeters unless otherwise noted.
NOTES:
(1) The minimum flange thickness does not include the raised face thickness (see para. 6.1.1).
(2) This dimension is for the large end of the hub, which may be straight or tapered.
(3) For welding and bevel, see para. 6.4.
(4) The length of the stud bolt does not include the height of the points (see para. 6.5.2).
(5) Bolt lengths not shown in the table may be determined in accordance with Nonmandatory Appendix D (see para. 6.5.2).

| Pipe | Minimum Thickness of Flange, tf [Note (1)] | Raised Face | Drilling | Length of Bolts, L [Notes (4), (5)]Stud Bolts | |||||
| Nominal Pipe Size | O.D. of Flange, O | Blind Flange | Raised Face Diam., R | Diam. of Bolt Circle | No. of Bolt Holes | Diam. of Bolt Hole, in. | Diam. of Bolt, in. | Raised Face 1.6 mm | Ring Joint |
| 26 | 972 | 82.6 | 749 | 876.3 | 28 | 1 3∕4 | 1 5∕8 | 270 | 290 |
| 28 | 1 035 | 88.9 | 800 | 939.8 | 28 | 1 3∕4 | 1 5∕8 | 280 | 300 |
| 30 | 1 092 | 93.7 | 857 | 997 | 28 | 1 7∕8 | 1 3∕4 | 300 | 320 |
| 32 | 1 149 | 98.6 | 914 | 1 054.1 | 28 | 2 | 1 7∕8 | 320 | 345 |
| 34 | 1 206 | 103.4 | 965 | 1 104.9 | 28 | 2 | 1 7∕8 | 330 | 350 |
| 36 | 1 270 | 109.7 | 1 022 | 1 168.4 | 32 | 2 1∕8 | 2 | 340 | 365 |
| 38 | 1 168 | 106.4 | 1 029 | 1 092.2 | 32 | 1 5∕8 | 1 1∕2 | 320 | ... |
| 40 | 1 238 | 112.8 | 1 086 | 1 155.7 | 32 | 1 3∕4 | 1 5∕8 | 340 | ... |
| 42 | 1 289 | 117.6 | 1 137 | 1 206.5 | 32 | 1 3∕4 | 1 5∕8 | 350 | ... |
| 44 | 1 353 | 122.4 | 1 194 | 1 263.6 | 32 | 1 7∕8 | 1 3∕4 | 365 | ... |
| 46 | 1 416 | 127 | 1 245 | 1 320.8 | 28 | 2 | 1 7∕8 | 380 | ... |
| 48 | 1 467 | 131.8 | 1 302 | 1 371.6 | 32 | 2 | 1 7∕8 | 390 | ... |
| 50 | 1 530 | 138.2 | 1 359 | 1 428.8 | 32 | 2 1∕8 | 2 | 410 | ... |
| 52 | 1 581 | 143 | 1 410 | 1 479.6 | 32 | 2 1∕8 | 2 | 420 | ... |
| 54 | 1 657 | 150.9 | 1 467 | 1 549.4 | 28 | 2 3∕8 | 2 1∕4 | 450 | ... |
| 56 | 1 708 | 152.4 | 1 518 | 1 600.2 | 28 | 2 3∕8 | 2 1∕4 | 450 | ... |
| 58 | 1 759 | 157.2 | 1 575 | 1 651.0 | 32 | 2 3∕8 | 2 1∕4 | 465 | ... |
| 60 | 1 810 | 160.1 | 1 626 | 1 701.8 | 32 | 2 3∕8 | 2 1∕4 | 475 | ... |
GENERAL NOTES:
(a) Dimensions are in millimeters unless otherwise noted.
NOTES:
(1) The minimum flange thickness does not include the raised face thickness.
(2) This dimension is for the large end of the hub, which may be straight or tapered.
(3) For welding and bevel.
(4) The length of the stud bolt does not include the height of the points.
(5) Bolt lengths not shown in the table may be determined in accordance with Nonmandatory Appendix D.

| Pipe | Minimum Thickness of Flange, tf [Note (1)] | Hub Data | Raised Face | Drilling | Radius | Length of Bolts, L [Notes (4), (5)]Stud Bolts | ||||||||
| Nominal Pipe Size | O.D. of Flange, O | Weld Neck Flange | Blind Flange | Length Through Hub, Y | Diam. of Hub, X [Note (2)] | Hub Diam. Top, A [Note (3)] | Raised Face Diam., R | Diam. of Bolt Circle | No. of Bolt Holes | Diam. of Bolt Hole, in. | Diam. of Bolt, in. | Minimum Fillet Radius, r1 | Raised Face 6.4 mm | Ring Joint |
| 26 | 972 | 88.9 | 98.6 | 194 | 727 | 660.4 | 749 | 876.3 | 28 | 1 7∕8 | 1 3∕4 | 11 | 310 | 320 |
| 28 | 1 035 | 95.2 | 104.6 | 206 | 783 | 711.2 | 800 | 939.8 | 28 | 2 | 1 7∕8 | 13 | 330 | 340 |
| 30 | 1 092 | 101.6 | 111.3 | 219 | 837 | 762 | 857 | 997 | 28 | 2 1∕8 | 2 | 13 | 345 | 360 |
| 32 | 1 149 | 108 | 115.8 | 232 | 889 | 812.8 | 914 | 1 054.1 | 28 | 2 1∕8 | 2 | 13 | 360 | 375 |
| 34 | 1 206 | 111.3 | 122.2 | 241 | 945 | 863.6 | 965 | 1 104.9 | 28 | 2 1∕8 | 2 | 14 | 365 | 380 |
| 36 | 1 270 | 114.3 | 128.5 | 251 | 1 000 | 914.4 | 1 022 | 1 168.4 | 32 | 2 1∕8 | 2 | 14 | 375 | 385 |
| 38 | 1 206 | 124 | 124 | 206 | 1 003 | 965.2 | 1 035 | 1 117.6 | 32 | 1 7∕8 | 1 3∕4 | 14 | 380 | ... |
| 40 | 1 270 | 130 | 130 | 216 | 1 054 | 1 016.0 | 1 092 | 1 174.8 | 32 | 2 | 1 7∕8 | 14 | 405 | ... |
| 42 | 1 321 | 133.4 | 133.4 | 224 | 1 108 | 1 066.8 | 1 143 | 1 225.6 | 32 | 2 | 1 7∕8 | 14 | 405 | ... |
| 44 | 1 384 | 139.7 | 139.7 | 233 | 1 159 | 1 117.6 | 1 200 | 1 282.7 | 32 | 2 1∕8 | 2 | 14 | 425 | ... |
| 46 | 1 441 | 146 | 146 | 244 | 1 213 | 1 168.4 | 1 257 | 1 339.8 | 36 | 2 1∕8 | 2 | 14 | 435 | ... |
| 48 | 1 511 | 152.4 | 152.4 | 257 | 1 267 | 1 219.2 | 1 308 | 1 403.4 | 28 | 2 3∕8 | 2 1∕4 | 14 | 460 | ... |
| 50 | 1 568 | 157.2 | 158.8 | 268 | 1 321 | 1 270.0 | 1 362 | 1 460.5 | 32 | 2 3∕8 | 2 1∕4 | 14 | 470 | ... |
| 52 | 1 619 | 162.1 | 163.6 | 276 | 1 372 | 1 320.8 | 1 413 | 1 511.3 | 32 | 2 3∕8 | 2 1∕4 | 14 | 480 | ... |
| 54 | 1 702 | 169.9 | 171.4 | 289 | 1 425 | 1 371.6 | 1 470 | 1 581.2 | 28 | 2 5∕8 | 2 1∕2 | 14 | 510 | ... |
| 56 | 1 753 | 174.8 | 176.3 | 298 | 1 480 | 1 422.4 | 1 527 | 1 632.0 | 32 | 2 5∕8 | 2 1∕2 | 14 | 520 | ... |
| 58 | 1 803 | 177.8 | 180.8 | 306 | 1 530 | 1 473.2 | 1 578 | 1 682.8 | 32 | 2 5∕8 | 2 1∕2 | 14 | 530 | ... |
| 60 | 1 886 | 185.7 | 189 | 319 | 1 584 | 1 524.0 | 1 635 | 1 752.6 | 32 | 2 7∕8 | 2 3∕4 | 14 | 560 | ... |
GENERAL NOTES:
(a) Dimensions are in millimeters unless otherwise noted.
NOTES:
(1) The minimum flange thickness does not include the raised face thickness.
(2) This dimension is for the large end of the hub, which may be straight or tapered.
(3) For welding and bevel.
(4) The length of the stud bolt does not include the height of the points.
(5) Bolt lengths not shown in the table may be determined in accordance with Nonmandatory Appendix D.

| Pipe | Minimum Thickness of Flange, tf [Note (1)] | Hub Data | Raised Face | Drilling | Radius | Length of Bolts, L [Notes (4), (5)]Stud Bolts | |||||||
| Nominal Pipe Size | O.D. of Flange, O | Weld Neck Flange | Length Through Hub, Y | Diam. of Hub, X [Note (2)] | Hub Diam. Top, A [Note (3)] | Raised Face Diam., R | Diam. of Bolt Circle | No. of Bolt Holes | Diam. of Bolt Hole, in. | Diam. of Bolt, in. | Minimum Fillet Radius, r1 | Raised Face 6.4 mm | Ring Joint |
| 26 | 972 | 88.9 | 194 | 727 | 660.4 | 749 | 876.3 | 28 | 1 7∕8 | 1 3∕4 | 11 | 310 | 320 |
| 28 | 1 035 | 95.2 | 206 | 783 | 711.2 | 800 | 939.8 | 28 | 2 | 1 7∕8 | 13 | 330 | 340 |
| 30 | 1 092 | 101.6 | 219 | 837 | 762 | 857 | 997 | 28 | 2 1∕8 | 2 | 13 | 345 | 360 |
| 32 | 1 149 | 108 | 232 | 889 | 812.8 | 914 | 1 054.1 | 28 | 2 1∕8 | 2 | 13 | 360 | 375 |
| 34 | 1 206 | 111.3 | 241 | 945 | 863.6 | 965 | 1 104.9 | 28 | 2 1∕8 | 2 | 14 | 365 | 380 |
| 36 | 1 270 | 114.3 | 251 | 1 000 | 914.4 | 1 022 | 1 168.4 | 32 | 2 1∕8 | 2 | 14 | 375 | 385 |
| 38 | 1 206 | 124 | 206 | 1 003 | 965.2 | 1 035 | 1 117.6 | 32 | 1 7∕8 | 1 3∕4 | 14 | 380 | ... |
| 40 | 1 270 | 130 | 216 | 1 054 | 1 016.0 | 1 092 | 1 174.8 | 32 | 2 | 1 7∕8 | 14 | 405 | ... |
| 42 | 1 321 | 133.4 | 224 | 1 108 | 1 066.8 | 1 143 | 1 225.6 | 32 | 2 | 1 7∕8 | 14 | 405 | ... |
| 44 | 1 384 | 139.7 | 233 | 1 159 | 1 117.6 | 1 200 | 1 282.7 | 32 | 2 1∕8 | 2 | 14 | 425 | ... |
| 46 | 1 441 | 146 | 244 | 1 213 | 1 168.4 | 1 257 | 1 339.8 | 36 | 2 1∕8 | 2 | 14 | 435 | ... |
| 48 | 1 511 | 152.4 | 257 | 1 267 | 1 219.2 | 1 308 | 1 403.4 | 28 | 2 3∕8 | 2 1∕4 | 14 | 460 | ... |
| 50 | 1 568 | 157.2 | 268 | 1 321 | 1 270.0 | 1 362 | 1 460.5 | 32 | 2 3∕8 | 2 1∕4 | 14 | 470 | ... |
| 52 | 1 619 | 162.1 | 276 | 1 372 | 1 320.8 | 1 413 | 1 511.3 | 32 | 2 3∕8 | 2 1∕4 | 14 | 480 | ... |
| 54 | 1 702 | 169.9 | 289 | 1 425 | 1 371.6 | 1 470 | 1 581.2 | 28 | 2 5∕8 | 2 1∕2 | 14 | 510 | ... |
| 56 | 1 753 | 174.8 | 298 | 1 480 | 1 422.4 | 1 527 | 1 632.0 | 32 | 2 5∕8 | 2 1∕2 | 14 | 520 | ... |
| 58 | 1 803 | 177.8 | 306 | 1 530 | 1 473.2 | 1 578 | 1 682.8 | 32 | 2 5∕8 | 2 1∕2 | 14 | 530 | ... |
| 60 | 1 886 | 185.7 | 319 | 1 584 | 1 524.0 | 1 635 | 1 752.6 | 32 | 2 7∕8 | 2 3∕4 | 14 | 560 | ... |
GENERAL NOTES:
(a) Dimensions are in millimeters unless otherwise noted.
NOTES:
(1) The minimum flange thickness does not include the raised face thickness.
(2) This dimension is for the large end of the hub, which may be straight or tapered.
(3) For welding and bevel.
(4) The length of the stud bolt does not include the height of the points.
(5) Bolt lengths not shown in the table may be determined in accordance with Nonmandatory Appendix D.

| Pipe | Minimum Thickness of Flange, tf [Note (1)] | Raised Face | Drilling | Length of Bolts, L [Notes (4), (5)]Stud Bolts | |||||
| Nominal Pipe Size | O.D. of Flange, O | Blind Flange | Raised Face Diam., R | Diam. of Bolt Circle | No. of Bolt Holes | Diam. of Bolt Hole, in. | Diam. of Bolt, in. | Raised Face 6.4 mm | Ring Joint |
| 26 | 972 | 98.6 | 749 | 876.3 | 28 | 1 7∕8 | 1 3∕4 | 310 | 320 |
| 28 | 1 035 | 104.6 | 800 | 939.8 | 28 | 2 | 1 7∕8 | 330 | 340 |
| 30 | 1 092 | 111.3 | 857 | 997 | 28 | 2 1∕8 | 2 | 345 | 360 |
| 32 | 1 149 | 115.8 | 914 | 1 054.1 | 28 | 2 1∕8 | 2 | 360 | 375 |
| 34 | 1 206 | 122.2 | 965 | 1 104.9 | 28 | 2 1∕8 | 2 | 365 | 380 |
| 36 | 1 270 | 128.5 | 1 022 | 1 168.4 | 32 | 2 1∕8 | 2 | 375 | 385 |
| 38 | 1 206 | 124 | 1 035 | 1 117.6 | 32 | 1 7∕8 | 1 3∕4 | 380 | ... |
| 40 | 1 270 | 130 | 1 092 | 1 174.8 | 32 | 2 | 1 7∕8 | 405 | ... |
| 42 | 1 321 | 133.4 | 1 143 | 1 225.6 | 32 | 2 | 1 7∕8 | 405 | ... |
| 44 | 1 384 | 139.7 | 1 200 | 1 282.7 | 32 | 2 1∕8 | 2 | 425 | ... |
| 46 | 1 441 | 146 | 1 257 | 1 339.8 | 36 | 2 1∕8 | 2 | 435 | ... |
| 48 | 1 511 | 152.4 | 1 308 | 1 403.4 | 28 | 2 3∕8 | 2 1∕4 | 460 | ... |
| 50 | 1 568 | 158.8 | 1 362 | 1 460.5 | 32 | 2 3∕8 | 2 1∕4 | 470 | ... |
| 52 | 1 619 | 163.6 | 1 413 | 1 511.3 | 32 | 2 3∕8 | 2 1∕4 | 480 | ... |
| 54 | 1 702 | 171.4 | 1 470 | 1 581.2 | 28 | 2 5∕8 | 2 1∕2 | 510 | ... |
| 56 | 1 753 | 176.3 | 1 527 | 1 632.0 | 32 | 2 5∕8 | 2 1∕2 | 520 | ... |
| 58 | 1 803 | 180.8 | 1 578 | 1 682.8 | 32 | 2 5∕8 | 2 1∕2 | 530 | ... |
| 60 | 1 886 | 189 | 1 635 | 1 752.6 | 32 | 2 7∕8 | 2 3∕4 | 560 | ... |
GENERAL NOTES:
(a) Dimensions are in millimeters unless otherwise noted.
NOTES:
(1) The minimum flange thickness does not include the raised face thickness.
(2) This dimension is for the large end of the hub, which may be straight or tapered.
(3) For welding and bevel.
(4) The length of the stud bolt does not include the height of the points.
(5) Bolt lengths not shown in the table may be determined in accordance with Nonmandatory Appendix D.

| Pipe | Minimum Thickness of Flange, tf [Note (1)] | Hub Data | Raised Face | Drilling | Radius | Length of Bolts, L [Notes (4), (5)]Stud Bolts | ||||||||
| Nominal Pipe Size | O.D. of Flange, O | Weld Neck Flange | Blind Flange | Length Through Hub, Y | Diam. of Hub, X [Note (2)] | Hub Diam. Top, A [Note (3)] | Raised Face Diam., R | Diam. of Bolt Circle | No. of Bolt Holes | Diam. of Bolt Hole, in. | Diam. of Bolt, in. | Minimum Fillet Radius, r1 | Raised Face 6.4 mm | Ring Joint |
| 26 | 1 016 | 108 | 125.5 | 222 | 748 | 660.4 | 749 | 914.4 | 28 | 2 | 1 7∕8 | 13 | 355 | 365 |
| 28 | 1 073 | 111.3 | 131.8 | 235 | 803 | 711.2 | 800 | 965.2 | 28 | 2 1∕8 | 2 | 13 | 365 | 375 |
| 30 | 1 130 | 114.3 | 139.7 | 248 | 862 | 762 | 857 | 1 022.4 | 28 | 2 1∕8 | 2 | 13 | 375 | 385 |
| 32 | 1 194 | 117.3 | 147.6 | 260 | 917 | 812.8 | 914 | 1 079.5 | 28 | 2 3∕8 | 2 1∕4 | 13 | 390 | 405 |
| 34 | 1 245 | 120.6 | 153.9 | 270 | 973 | 863.6 | 965 | 1 130.3 | 28 | 2 3∕8 | 2 1∕4 | 14 | 400 | 410 |
| 36 | 1 314 | 124 | 162.1 | 282 | 1 032 | 914.4 | 1 022 | 1 193.8 | 28 | 2 5∕8 | 2 1∕2 | 14 | 415 | 430 |
| 38 | 1 270 | 152.4 | 155.4 | 254 | 1 022 | 965.2 | 1 054 | 1 162.0 | 28 | 2 3∕8 | 2 1∕4 | 14 | 465 | ... |
| 40 | 1 321 | 158.8 | 162.1 | 264 | 1 073 | 1 016.0 | 1 111 | 1 212.8 | 32 | 2 3∕8 | 2 1∕4 | 14 | 480 | ... |
| 42 | 1 403 | 168.1 | 171.4 | 279 | 1 127 | 1 066.8 | 1 168 | 1 282.7 | 28 | 2 5∕8 | 2 1∕2 | 14 | 510 | ... |
| 44 | 1 454 | 173 | 177.8 | 289 | 1 181 | 1 117.6 | 1 226 | 1 333.5 | 32 | 2 5∕8 | 2 1∕2 | 14 | 520 | ... |
| 46 | 1 511 | 179.3 | 185.7 | 300 | 1 235 | 1 168.4 | 1 276 | 1 390.6 | 32 | 2 5∕8 | 2 1∕2 | 14 | 530 | |
| 48 | 1 594 | 189 | 195.3 | 316 | 1 289 | 1 219.2 | 1 334 | 1 460.5 | 32 | 2 7∕8 | 2 3∕4 | 14 | 565 | ... |
| 50 | 1 670 | 196.8 | 203.2 | 329 | 1 343 | 1 270.0 | 1 384 | 1 524.0 | 28 | 3 1∕8 | 3 | 14 | 595 | ... |
| 52 | 1 721 | 203.2 | 209.6 | 337 | 1 394 | 1 320.8 | 1 435 | 1 574.8 | 32 | 3 1∕8 | 3 | 14 | 605 | ... |
| 54 | 1 778 | 209.6 | 217.4 | 349 | 1 448 | 1 371.6 | 1 492 | 1 632.0 | 32 | 3 1∕8 | 3 | 14 | 620 | ... |
| 56 | 1 854 | 217.4 | 225.6 | 362 | 1 502 | 1 422.4 | 1 543 | 1 695.4 | 32 | 3 3∕8 | 3 1∕4 | 16 | 645 | ... |
| 58 | 1 905 | 222.2 | 231.6 | 370 | 1 553 | 1 473.2 | 1 600 | 1 746.2 | 32 | 3 3∕8 | 3 1∕4 | 16 | 655 | ... |
| 60 | 1 994 | 233.4 | 242.8 | 389 | 1 610 | 1 524.0 | 1 657 | 1 822.4 | 28 | 3 5∕8 | 3 1∕2 | 17 | 690 | ... |
GENERAL NOTES:
(a) Dimensions are in millimeters unless otherwise noted.
NOTES:
(1) The minimum flange thickness does not include the raised face thickness.
(2) This dimension is for the large end of the hub, which may be straight or tapered.
(3) For welding and bevel.
(4) The length of the stud bolt does not include the height of the points.
(5) Bolt lengths not shown in the table may be determined in accordance with Nonmandatory Appendix D.

| Pipe | Minimum Thickness of Flange, tf [Note (1)] | Hub Data | Raised Face | Drilling | Radius | Length of Bolts, L [Notes (4), (5)]Stud Bolts | |||||||
| Nominal Pipe Size | O.D. of Flange, O | Weld Neck Flange | Length Through Hub, Y | Diam. of Hub, X [Note (2)] | Hub Diam. Top, A [Note (3)] | Raised Face Diam., R | Diam. of Bolt Circle | No. of Bolt Holes | Diam. of Bolt Hole, in. | Diam. of Bolt, in. | Minimum Fillet Radius, r1 | Raised Face 6.4 mm | Ring Joint |
| 26 | 1 016 | 108 | 222 | 748 | 660.4 | 749 | 914.4 | 28 | 2 | 1 7∕8 | 13 | 355 | 365 |
| 28 | 1 073 | 111.3 | 235 | 803 | 711.2 | 800 | 965.2 | 28 | 2 1∕8 | 2 | 13 | 365 | 375 |
| 30 | 1 130 | 114.3 | 248 | 862 | 762 | 857 | 1 022.4 | 28 | 2 1∕8 | 2 | 13 | 375 | 385 |
| 32 | 1 194 | 117.3 | 260 | 917 | 812.8 | 914 | 1 079.5 | 28 | 2 3∕8 | 2 1∕4 | 13 | 390 | 405 |
| 34 | 1 245 | 120.6 | 270 | 973 | 863.6 | 965 | 1 130.3 | 28 | 2 3∕8 | 2 1∕4 | 14 | 400 | 410 |
| 36 | 1 314 | 124 | 282 | 1 032 | 914.4 | 1 022 | 1 193.8 | 28 | 2 5∕8 | 2 1∕2 | 14 | 415 | 430 |
| 38 | 1 270 | 152.4 | 254 | 1 022 | 965.2 | 1 054 | 1 162.0 | 28 | 2 3∕8 | 2 1∕4 | 14 | 465 | ... |
| 40 | 1 321 | 158.8 | 264 | 1 073 | 1 016.0 | 1 111 | 1 212.8 | 32 | 2 3∕8 | 2 1∕4 | 14 | 480 | ... |
| 42 | 1 403 | 168.1 | 279 | 1 127 | 1 066.8 | 1 168 | 1 282.7 | 28 | 2 5∕8 | 2 1∕2 | 14 | 510 | ... |
| 44 | 1 454 | 173 | 289 | 1 181 | 1 117.6 | 1 226 | 1 333.5 | 32 | 2 5∕8 | 2 1∕2 | 14 | 520 | ... |
| 46 | 1 511 | 179.3 | 300 | 1 235 | 1 168.4 | 1 276 | 1 390.6 | 32 | 2 5∕8 | 2 1∕2 | 14 | 530 | |
| 48 | 1 594 | 189 | 316 | 1 289 | 1 219.2 | 1 334 | 1 460.5 | 32 | 2 7∕8 | 2 3∕4 | 14 | 565 | ... |
| 50 | 1 670 | 196.8 | 329 | 1 343 | 1 270.0 | 1 384 | 1 524.0 | 28 | 3 1∕8 | 3 | 14 | 595 | ... |
| 52 | 1 721 | 203.2 | 337 | 1 394 | 1 320.8 | 1 435 | 1 574.8 | 32 | 3 1∕8 | 3 | 14 | 605 | ... |
| 54 | 1 778 | 209.6 | 349 | 1 448 | 1 371.6 | 1 492 | 1 632.0 | 32 | 3 1∕8 | 3 | 14 | 620 | ... |
| 56 | 1 854 | 217.4 | 362 | 1 502 | 1 422.4 | 1 543 | 1 695.4 | 32 | 3 3∕8 | 3 1∕4 | 16 | 645 | ... |
| 58 | 1 905 | 222.2 | 370 | 1 553 | 1 473.2 | 1 600 | 1 746.2 | 32 | 3 3∕8 | 3 1∕4 | 16 | 655 | ... |
| 60 | 1 994 | 233.4 | 389 | 1 610 | 1 524.0 | 1 657 | 1 822.4 | 28 | 3 5∕8 | 3 1∕2 | 17 | 690 | ... |
GENERAL NOTES:
(a) Dimensions are in millimeters unless otherwise noted.
NOTES:
(1) The minimum flange thickness does not include the raised face thickness.
(2) This dimension is for the large end of the hub, which may be straight or tapered.
(3) For welding and bevel.
(4) The length of the stud bolt does not include the height of the points.
(5) Bolt lengths not shown in the table may be determined in accordance with Nonmandatory Appendix D.

| Pipe | Minimum Thickness of Flange, tf [Note (1)] | Raised Face | Drilling | Length of Bolts, L [Notes (4), (5)]Stud Bolts | |||||
| Nominal Pipe Size | O.D. of Flange, O | Blind Flange | Raised Face Diam., R | Diam. of Bolt Circle | No. of Bolt Holes | Diam. of Bolt Hole, in. | Diam. of Bolt, in. | Raised Face 6.4 mm | Ring Joint |
| 26 | 1 016 | 125.5 | 749 | 914.4 | 28 | 2 | 1 7∕8 | 355 | 365 |
| 28 | 1 073 | 131.8 | 800 | 965.2 | 28 | 2 1∕8 | 2 | 365 | 375 |
| 30 | 1 130 | 139.7 | 857 | 1 022.4 | 28 | 2 1∕8 | 2 | 375 | 385 |
| 32 | 1 194 | 147.6 | 914 | 1 079.5 | 28 | 2 3∕8 | 2 1∕4 | 390 | 405 |
| 34 | 1 245 | 153.9 | 965 | 1 130.3 | 28 | 2 3∕8 | 2 1∕4 | 400 | 410 |
| 36 | 1 314 | 162.1 | 1 022 | 1 193.8 | 28 | 2 5∕8 | 2 1∕2 | 415 | 430 |
| 38 | 1 270 | 155.4 | 1 054 | 1 162.0 | 28 | 2 3∕8 | 2 1∕4 | 465 | ... |
| 40 | 1 321 | 162.1 | 1 111 | 1 212.8 | 32 | 2 3∕8 | 2 1∕4 | 480 | ... |
| 42 | 1 403 | 171.4 | 1 168 | 1 282.7 | 28 | 2 5∕8 | 2 1∕2 | 510 | ... |
| 44 | 1 454 | 177.8 | 1 226 | 1 333.5 | 32 | 2 5∕8 | 2 1∕2 | 520 | ... |
| 46 | 1 511 | 185.7 | 1 276 | 1 390.6 | 32 | 2 5∕8 | 2 1∕2 | 530 | |
| 48 | 1 594 | 195.3 | 1 334 | 1 460.5 | 32 | 2 7∕8 | 2 3∕4 | 565 | ... |
| 50 | 1 670 | 203.2 | 1 384 | 1 524.0 | 28 | 3 1∕8 | 3 | 595 | ... |
| 52 | 1 721 | 209.6 | 1 435 | 1 574.8 | 32 | 3 1∕8 | 3 | 605 | ... |
| 54 | 1 778 | 217.4 | 1 492 | 1 632.0 | 32 | 3 1∕8 | 3 | 620 | ... |
| 56 | 1 854 | 225.6 | 1 543 | 1 695.4 | 32 | 3 3∕8 | 3 1∕4 | 645 | ... |
| 58 | 1 905 | 231.6 | 1 600 | 1 746.2 | 32 | 3 3∕8 | 3 1∕4 | 655 | ... |
| 60 | 1 994 | 242.8 | 1 657 | 1 822.4 | 28 | 3 5∕8 | 3 1∕2 | 690 | ... |
GENERAL NOTES:
(a) Dimensions are in millimeters unless otherwise noted.
NOTES:
(1) The minimum flange thickness does not include the raised face thickness.
(2) This dimension is for the large end of the hub, which may be straight or tapered.
(3) For welding and bevel.
(4) The length of the stud bolt does not include the height of the points.
(5) Bolt lengths not shown in the table may be determined in accordance with Nonmandatory Appendix D.

| Pipe | Minimum Thickness of Flange, tf [Note (1)] | Hub Data | Raised Face | Drilling | Radius | Length of Bolts, L [Notes (4), (5)]Stud Bolts | ||||||||
| Nominal Pipe Size | O.D. of Flange, O | Weld Neck Flange | Blind Flange | Length Through Hub, Y | Diam. of Hub, X [Note (2)] | Hub Diam. Top, A [Note (3)] | Raised Face Diam., R | Diam. of Bolt Circle | No. of Bolt Holes | Diam. of Bolt Hole, in. | Diam. of Bolt, in. | Minimum Fillet Radius, r1 | Raised Face 6.4 mm | Ring Joint |
| 26 | 1 086 | 139.7 | 160.3 | 286 | 775 | 660.4 | 749 | 952.5 | 20 | 2 7∕8 | 2 3∕4 | 11 | 465 | 485 |
| 28 | 1 168 | 142.7 | 171.4 | 298 | 832 | 711.2 | 800 | 1 022.4 | 20 | 3 1∕8 | 3 | 13 | 485 | 505 |
| 30 | 1 232 | 149.4 | 182.4 | 311 | 889 | 762 | 857 | 1 085.8 | 20 | 3 1∕8 | 3 | 13 | 495 | 520 |
| 32 | 1 314 | 158.8 | 193.5 | 330 | 946 | 812.8 | 914 | 1 155.7 | 20 | 3 3∕8 | 3 1∕4 | 13 | 530 | 550 |
| 34 | 1 397 | 165.1 | 204.7 | 349 | 1 006 | 863.6 | 965 | 1 225.6 | 20 | 3 5∕8 | 3 1∕2 | 14 | 555 | 580 |
| 36 | 1 460 | 171.4 | 214.4 | 362 | 1 064 | 914.4 | 1 022 | 1 289.0 | 20 | 3 5∕8 | 3 1∕2 | 14 | 565 | 595 |
| 38 | 1 460 | 190.5 | 215.9 | 353 | 1 073 | 965.2 | 1 099 | 1 289.0 | 20 | 3 5∕8 | 3 1∕2 | 19 | 605 | … |
| 40 | 1 511 | 196.8 | 223.8 | 363 | 1 127 | 1 016.0 | 1 162 | 1 339.8 | 24 | 3 5∕8 | 3 1∕2 | 21 | 620 | … |
| 42 | 1 562 | 206.2 | 231.6 | 371 | 1 176 | 1 066.8 | 1 213 | 1 390.6 | 24 | 3 5∕8 | 3 1∕2 | 21 | 635 | … |
| 44 | 1 648 | 214.4 | 242.8 | 391 | 1 235 | 1 117.6 | 1 270 | 1 463.5 | 24 | 3 7∕8 | 3 3∕4 | 22 | 665 | … |
| 46 | 1 734 | 225.6 | 255.5 | 411 | 1 292 | 1 168.4 | 1 334 | 1 536.7 | 24 | 4 1∕8 | 4 | 22 | 700 | … |
| 48 | 1 784 | 233.4 | 263.7 | 419 | 1 343 | 1 219.2 | 1 384 | 1 587.5 | 24 | 4 1∕8 | 4 | 24 | 715 | … |
| 50 | … | … | … | … | … | … | … | … | … | … | … | … | … | … |
| 52 | … | … | … | … | … | … | … | … | … | … | … | … | … | … |
| 54 | … | … | … | … | … | … | … | … | … | … | … | … | … | … |
| 56 | … | … | … | … | … | … | … | … | … | … | … | … | … | … |
| 58 | … | … | … | … | … | … | … | … | … | … | … | … | … | … |
| 60 | … | … | … | … | … | … | … | … | … | … | … | … | … | … |
GENERAL NOTES:
(a) Dimensions are in millimeters unless otherwise noted.
NOTES:
(1) The minimum flange thickness does not include the raised face thickness.
(2) This dimension is for the large end of the hub, which may be straight or tapered.
(3) For welding and bevel.
(4) The length of the stud bolt does not include the height of the points.
(5) Bolt lengths not shown in the table may be determined in accordance with Nonmandatory Appendix D.

| Pipe | Minimum Thickness of Flange, tf [Note (1)] | Hub Data | Raised Face | Drilling | Radius | Length of Bolts, L [Notes (4), (5)]Stud Bolts | |||||||
| Nominal Pipe Size | O.D. of Flange, O | Weld Neck Flange | Length Through Hub, Y | Diam. of Hub, X [Note (2)] | Hub Diam. Top, A [Note (3)] | Raised Face Diam., R | Diam. of Bolt Circle | No. of Bolt Holes | Diam. of Bolt Hole, in. | Diam. of Bolt, in. | Minimum Fillet Radius, r1 | Raised Face 6.4 mm | Ring Joint |
| 26 | 1 086 | 139.7 | 286 | 775 | 660.4 | 749 | 952.5 | 20 | 2 7∕8 | 2 3∕4 | 11 | 465 | 485 |
| 28 | 1 168 | 142.7 | 298 | 832 | 711.2 | 800 | 1 022.4 | 20 | 3 1∕8 | 3 | 13 | 485 | 505 |
| 30 | 1 232 | 149.4 | 311 | 889 | 762 | 857 | 1 085.8 | 20 | 3 1∕8 | 3 | 13 | 495 | 520 |
| 32 | 1 314 | 158.8 | 330 | 946 | 812.8 | 914 | 1 155.7 | 20 | 3 3∕8 | 3 1∕4 | 13 | 530 | 550 |
| 34 | 1 397 | 165.1 | 349 | 1 006 | 863.6 | 965 | 1 225.6 | 20 | 3 5∕8 | 3 1∕2 | 14 | 555 | 580 |
| 36 | 1 460 | 171.4 | 362 | 1 064 | 914.4 | 1 022 | 1 289.0 | 20 | 3 5∕8 | 3 1∕2 | 14 | 565 | 595 |
| 38 | 1 460 | 190.5 | 353 | 1 073 | 965.2 | 1 099 | 1 289.0 | 20 | 3 5∕8 | 3 1∕2 | 19 | 605 | … |
| 40 | 1 511 | 196.8 | 363 | 1 127 | 1 016.0 | 1 162 | 1 339.8 | 24 | 3 5∕8 | 3 1∕2 | 21 | 620 | … |
| 42 | 1 562 | 206.2 | 371 | 1 176 | 1 066.8 | 1 213 | 1 390.6 | 24 | 3 5∕8 | 3 1∕2 | 21 | 635 | … |
| 44 | 1 648 | 214.4 | 391 | 1 235 | 1 117.6 | 1 270 | 1 463.5 | 24 | 3 7∕8 | 3 3∕4 | 22 | 665 | … |
| 46 | 1 734 | 225.6 | 411 | 1 292 | 1 168.4 | 1 334 | 1 536.7 | 24 | 4 1∕8 | 4 | 22 | 700 | … |
| 48 | 1 784 | 233.4 | 419 | 1 343 | 1 219.2 | 1 384 | 1 587.5 | 24 | 4 1∕8 | 4 | 24 | 715 | … |
| 50 | … | … | … | … | … | … | … | … | … | … | … | … | … |
| 52 | … | … | … | … | … | … | … | … | … | … | … | … | … |
| 54 | … | … | … | … | … | … | … | … | … | … | … | … | … |
| 56 | … | … | … | … | … | … | … | … | … | … | … | … | … |
| 58 | … | … | … | … | … | … | … | … | … | … | … | … | … |
| 60 | … | … | … | … | … | … | … | … | … | … | … | … | … |
GENERAL NOTES:
(a) Dimensions are in millimeters unless otherwise noted.
NOTES:
(1) The minimum flange thickness does not include the raised face thickness.
(2) This dimension is for the large end of the hub, which may be straight or tapered.
(3) For welding and bevel.
(4) The length of the stud bolt does not include the height of the points.
(5) Bolt lengths not shown in the table may be determined in accordance with Nonmandatory Appendix D.

| Pipe | Minimum Thickness of Flange, tf [Note (1)] | Raised Face | Drilling | Length of Bolts, L [Notes (4), (5)]Stud Bolts | |||||
| Nominal Pipe Size | O.D. of Flange, O | Blind Flange | Raised Face Diam., R | Diam. of Bolt Circle | No. of Bolt Holes | Diam. of Bolt Hole, in. | Diam. of Bolt, in. | Raised Face 6.4 mm | Ring Joint |
| 26 | 1 086 | 160.3 | 749 | 952.5 | 20 | 2 7∕8 | 2 3∕4 | 465 | 485 |
| 28 | 1 168 | 171.4 | 800 | 1 022.4 | 20 | 3 1∕8 | 3 | 485 | 505 |
| 30 | 1 232 | 182.4 | 857 | 1 085.8 | 20 | 3 1∕8 | 3 | 495 | 520 |
| 32 | 1 314 | 193.5 | 914 | 1 155.7 | 20 | 3 3∕8 | 3 1∕4 | 530 | 550 |
| 34 | 1 397 | 204.7 | 965 | 1 225.6 | 20 | 3 5∕8 | 3 1∕2 | 555 | 580 |
| 36 | 1 460 | 214.4 | 1 022 | 1 289.0 | 20 | 3 5∕8 | 3 1∕2 | 565 | 595 |
| 38 | 1 460 | 215.9 | 1 099 | 1 289.0 | 20 | 3 5∕8 | 3 1∕2 | 605 | … |
| 40 | 1 511 | 223.8 | 1 162 | 1 339.8 | 24 | 3 5∕8 | 3 1∕2 | 620 | … |
| 42 | 1 562 | 231.6 | 1 213 | 1 390.6 | 24 | 3 5∕8 | 3 1∕2 | 635 | … |
| 44 | 1 648 | 242.8 | 1 270 | 1 463.5 | 24 | 3 7∕8 | 3 3∕4 | 665 | … |
| 46 | 1 734 | 255.5 | 1 334 | 1 536.7 | 24 | 4 1∕8 | 4 | 700 | … |
| 48 | 1 784 | 263.7 | 1 384 | 1 587.5 | 24 | 4 1∕8 | 4 | 715 | … |
| 50 | … | … | … | … | … | … | … | … | … |
| 52 | … | … | … | … | … | … | … | … | … |
| 54 | … | … | … | … | … | … | … | … | … |
| 56 | … | … | … | … | … | … | … | … | … |
| 58 | … | … | … | … | … | … | … | … | … |
| 60 | … | … | … | … | … | … | … | … | … |
GENERAL NOTES:
(a) Dimensions are in millimeters unless otherwise noted.
NOTES:
(1) The minimum flange thickness does not include the raised face thickness.
(2) This dimension is for the large end of the hub, which may be straight or tapered.
(3) For welding and bevel.
(4) The length of the stud bolt does not include the height of the points.
(5) Bolt lengths not shown in the table may be determined in accordance with Nonmandatory Appendix D.