Views: 3 Author: Monica Publish Time: 2026-02-26 Origin: Site
ASME B16.47 Series B flanges, which were originally based on API 605 standard, are designed to be lighter, more compact, and more cost-effective than their Series A counterparts. They achieve their pressure ratings by using a larger number of smaller bolts rather than a few large bolts. They are commonly used in industries such as oil and gas, petrochemicals, and power generation, where space constraints.

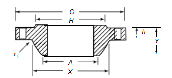
ASME B16.47 Series B flanges are available primarily in weld neck (WN) and blind (BL) configurations. Weld neck flanges feature a tapered hub for welding to pipes, providing added strength, while blind flanges are used to seal off pipe ends or for pressure testing.
ASME B16.47 Series B flanges supported pressure classes include 75, 150, 300, 400, 600, and 900, with materials typically including carbon steel, stainless steel, and various alloys.

| Pipe | Minimum Thickness of Flange, tf [Note (1)] | Hub Data | Raised Face | Drilling | Radius | Length of Bolts, L [Notes (4), (5)]Stud Bolts | |||||||
| Nominal Pipe Size | O.D. of Flange, O | Weld Neck Flange | Blind Flange | Length Through Hub, Y | Diam. of Hub, X [Note (2)] | Hub Diam. Top, A [Note (3)] | Raised Face Diam., R | Diam. of Bolt Circle | No. of Bolt Holes | Diam. of Bolt Hole, in. | Diam. of Bolt, in. | Minimum Fillet Radius, r1 | Raised Face 1.6 mm |
| 26 | 760 | 31.8 | 31.8 | 57 | 676 | 661.9 | 705 | 723.9 | 36 | 3∕4 | 5∕8 | 8 | 115 |
| 28 | 813 | 31.8 | 31.8 | 60 | 727 | 712.7 | 756 | 774.7 | 40 | 3∕4 | 5∕8 | 8 | 115 |
| 30 | 864 | 31.8 | 31.8 | 64 | 778 | 763.5 | 806 | 825.5 | 44 | 3∕4 | 5∕8 | 8 | 115 |
| 32 | 914 | 33.5 | 35.1 | 68 | 829 | 814.3 | 857 | 876.3 | 48 | 3∕4 | 5∕8 | 8 | 120 |
| 34 | 965 | 33.5 | 36.6 | 72 | 879 | 865.1 | 908 | 927.1 | 52 | 3∕4 | 5∕8 | 8 | 120 |
| 36 | 1 034 | 35.1 | 40.9 | 84 | 935 | 915.9 | 965 | 992.1 | 40 | 7∕8 | 3∕4 | 10 | 130 |
| 38 | 1 084 | 36.6 | 42.9 | 87 | 986 | 966.7 | 1 016 | 1 042.9 | 40 | 7∕8 | 3∕4 | 10 | 130 |
| 40 | 1 135 | 36.6 | 42.9 | 91 | 1 037 | 1 017.5 | 1 067 | 1 093.7 | 44 | 7∕8 | 3∕4 | 10 | 130 |
| 42 | 1 186 | 38.1 | 46.2 | 94 | 1 087 | 1 068.3 | 1 118 | 1 144.5 | 48 | 7∕8 | 3∕4 | 10 | 135 |
| 44 | 1 251 | 41.4 | 47.8 | 103 | 1 140 | 1 119.1 | 1 175 | 1 203.5 | 36 | 1 | 7∕8 | 10 | 150 |
| 46 | 1 302 | 42.9 | 49.3 | 106 | 1 191 | 1 169.9 | 1 226 | 1 254.3 | 40 | 1 | 7∕8 | 10 | 150 |
| 48 | 1 353 | 44.6 | 52.6 | 110 | 1 242 | 1 220.7 | 1 276 | 1 305.1 | 44 | 1 | 7∕8 | 10 | 160 |
| 50 | 1 403 | 46.2 | 54.1 | 114 | 1 294 | 1 271.5 | 1 327 | 1 355.9 | 44 | 1 | 7∕8 | 10 | 160 |
| 52 | 1 457 | 46.2 | 55.6 | 119 | 1 345 | 1 322.3 | 1 378 | 1 409.7 | 48 | 1 | 7∕8 | 10 | 160 |
| 54 | 1 508 | 47.8 | 58.9 | 124 | 1 397 | 1 373.1 | 1 429 | 1 460.5 | 48 | 1 | 7∕8 | 10 | 160 |
| 56 | 1 575 | 49.3 | 60.5 | 133 | 1 451 | 1 423.9 | 1 486 | 1 521.0 | 40 | 11∕8 | 1 | 11 | 170 |
| 58 | 1 626 | 50.8 | 62 | 137 | 1 502 | 1 474.7 | 1 537 | 1 571.8 | 44 | 11∕8 | 1 | 11 | 180 |
| 60 | 1 676 | 54.1 | 65.3 | 143 | 1 553 | 1 525.5 | 1 588 | 1 622.6 | 44 | 11∕8 | 1 | 11 | 185 |
GENERAL NOTES:
(a) Dimensions are in millimeters unless otherwise noted.
NOTES:
(1) The minimum flange thickness does not include the raised face thickness.
(2) This dimension is for the large end of the hub, which may be straight or tapered.
(3) For welding and beveling.
(4) The length of the stud bolt does not include the height of the points.
(5) Bolt lengths not shown in the table may be determined in accordance with Nonmandatory Appendix D.

| Pipe | Minimum Thickness of Flange, tf [Note (1)] | Hub Data | Raised Face | Drilling | Radius | Length of Bolts, L [Notes (4), (5)]Stud Bolts | ||||||
| Nominal Pipe Size | O.D. of Flange, O | Weld Neck Flange | Length Through Hub, Y | Diam. of Hub, X [Note (2)] | Hub Diam. Top, A [Note (3)] | Raised Face Diam., R | Diam. of Bolt Circle | No. of Bolt Holes | Diam. of Bolt Hole, in. | Diam. of Bolt, in. | Minimum Fillet Radius, r1 | Raised Face 1.6 mm |
| 26 | 760 | 31.8 | 57 | 676 | 661.9 | 705 | 723.9 | 36 | 3∕4 | 5∕8 | 8 | 115 |
| 28 | 813 | 31.8 | 60 | 727 | 712.7 | 756 | 774.7 | 40 | 3∕4 | 5∕8 | 8 | 115 |
| 30 | 864 | 31.8 | 64 | 778 | 763.5 | 806 | 825.5 | 44 | 3∕4 | 5∕8 | 8 | 115 |
| 32 | 914 | 33.5 | 68 | 829 | 814.3 | 857 | 876.3 | 48 | 3∕4 | 5∕8 | 8 | 120 |
| 34 | 965 | 33.5 | 72 | 879 | 865.1 | 908 | 927.1 | 52 | 3∕4 | 5∕8 | 8 | 120 |
| 36 | 1 034 | 35.1 | 84 | 935 | 915.9 | 965 | 992.1 | 40 | 7∕8 | 3∕4 | 10 | 130 |
| 38 | 1 084 | 36.6 | 87 | 986 | 966.7 | 1 016 | 1 042.9 | 40 | 7∕8 | 3∕4 | 10 | 130 |
| 40 | 1 135 | 36.6 | 91 | 1 037 | 1 017.5 | 1 067 | 1 093.7 | 44 | 7∕8 | 3∕4 | 10 | 130 |
| 42 | 1 186 | 38.1 | 94 | 1 087 | 1 068.3 | 1 118 | 1 144.5 | 48 | 7∕8 | 3∕4 | 10 | 135 |
| 44 | 1 251 | 41.4 | 103 | 1 140 | 1 119.1 | 1 175 | 1 203.5 | 36 | 1 | 7∕8 | 10 | 150 |
| 46 | 1 302 | 42.9 | 106 | 1 191 | 1 169.9 | 1 226 | 1 254.3 | 40 | 1 | 7∕8 | 10 | 150 |
| 48 | 1 353 | 44.6 | 110 | 1 242 | 1 220.7 | 1 276 | 1 305.1 | 44 | 1 | 7∕8 | 10 | 160 |
| 50 | 1 403 | 46.2 | 114 | 1 294 | 1 271.5 | 1 327 | 1 355.9 | 44 | 1 | 7∕8 | 10 | 160 |
| 52 | 1 457 | 46.2 | 119 | 1 345 | 1 322.3 | 1 378 | 1 409.7 | 48 | 1 | 7∕8 | 10 | 160 |
| 54 | 1 508 | 47.8 | 124 | 1 397 | 1 373.1 | 1 429 | 1 460.5 | 48 | 1 | 7∕8 | 10 | 160 |
| 56 | 1 575 | 49.3 | 133 | 1 451 | 1 423.9 | 1 486 | 1 521.0 | 40 | 11∕8 | 1 | 11 | 170 |
| 58 | 1 626 | 50.8 | 137 | 1 502 | 1 474.7 | 1 537 | 1 571.8 | 44 | 11∕8 | 1 | 11 | 180 |
| 60 | 1 676 | 54.1 | 143 | 1 553 | 1 525.5 | 1 588 | 1 622.6 | 44 | 11∕8 | 1 | 11 | 185 |
GENERAL NOTES:
(a) Dimensions are in millimeters unless otherwise noted.
NOTES:
(1) The minimum flange thickness does not include the raised face thickness.
(2) This dimension is for the large end of the hub, which may be straight or tapered.
(3) For welding and beveling.
(4) The length of the stud bolt does not include the height of the points.
(5) Bolt lengths not shown in the table may be determined in accordance with Nonmandatory Appendix D.

| Pipe | Minimum Thickness of Flange, tf [Note (1)] | Raised Face | Drilling | Length of Bolts, L [Notes (4), (5)]Stud Bolts | ||||
| Nominal Pipe Size | O.D. of Flange, O | Blind Flange | Raised Face Diam., R | Diam. of Bolt Circle | No. of Bolt Holes | Diam. of Bolt Hole, in. | Diam. of Bolt, in. | Raised Face 1.6 mm |
| 26 | 760 | 31.8 | 705 | 723.9 | 36 | 3∕4 | 5∕8 | 115 |
| 28 | 813 | 31.8 | 756 | 774.7 | 40 | 3∕4 | 5∕8 | 115 |
| 30 | 864 | 31.8 | 806 | 825.5 | 44 | 3∕4 | 5∕8 | 115 |
| 32 | 914 | 35.1 | 857 | 876.3 | 48 | 3∕4 | 5∕8 | 120 |
| 34 | 965 | 36.6 | 908 | 927.1 | 52 | 3∕4 | 5∕8 | 120 |
| 36 | 1 034 | 40.9 | 965 | 992.1 | 40 | 7∕8 | 3∕4 | 130 |
| 38 | 1 084 | 42.9 | 1 016 | 1 042.9 | 40 | 7∕8 | 3∕4 | 130 |
| 40 | 1 135 | 42.9 | 1 067 | 1 093.7 | 44 | 7∕8 | 3∕4 | 130 |
| 42 | 1 186 | 46.2 | 1 118 | 1 144.5 | 48 | 7∕8 | 3∕4 | 135 |
| 44 | 1 251 | 47.8 | 1 175 | 1 203.5 | 36 | 1 | 7∕8 | 150 |
| 46 | 1 302 | 49.3 | 1 226 | 1 254.3 | 40 | 1 | 7∕8 | 150 |
| 48 | 1 353 | 52.6 | 1 276 | 1 305.1 | 44 | 1 | 7∕8 | 160 |
| 50 | 1 403 | 54.1 | 1 327 | 1 355.9 | 44 | 1 | 7∕8 | 160 |
| 52 | 1 457 | 55.6 | 1 378 | 1 409.7 | 48 | 1 | 7∕8 | 160 |
| 54 | 1 508 | 58.9 | 1 429 | 1 460.5 | 48 | 1 | 7∕8 | 160 |
| 56 | 1 575 | 60.5 | 1 486 | 1 521.0 | 40 | 11∕8 | 1 | 170 |
| 58 | 1 626 | 62 | 1 537 | 1 571.8 | 44 | 11∕8 | 1 | 180 |
| 60 | 1 676 | 65.3 | 1 588 | 1 622.6 | 44 | 11∕8 | 1 | 185 |
GENERAL NOTES:
(a) Dimensions are in millimeters unless otherwise noted.
NOTES:
(1) The minimum flange thickness does not include the raised face thickness.
(2) This dimension is for the large end of the hub, which may be straight or tapered.
(3) For welding and beveling.
(4) The length of the stud bolt does not include the height of the points.
(5) Bolt lengths not shown in the table may be determined in accordance with Nonmandatory Appendix D.

| Pipe | Minimum Thickness of Flange, tf [Note (1)] | Hub Data | Raised Face | Drilling | Radius | Length of Bolts, L [Notes (4), (5)]Stud Bolts | |||||||
| Nominal Pipe Size | O.D. of Flange, O | Weld Neck Flange | Blind Flange | Length Through Hub, Y | Diam. of Hub, X [Note (2)] | Hub Diam. Top, A [Note (3)] | Raised Face Diam., R | Diam. of Bolt Circle | No. of Bolt Holes | Diam. of Bolt Hole, in. | Diam. of Bolt, in. | Minimum Fillet Radius, r1 | Raised Face 1.6 mm |
| 26 | 786 | 39.9 | 42.9 | 87 | 684 | 661.9 | 711 | 744.5 | 36 | 7∕8 | 3∕4 | 10 | 140 |
| 28 | 837 | 42.9 | 46.2 | 94 | 735 | 712.7 | 762 | 795.3 | 40 | 7∕8 | 3∕4 | 10 | 145 |
| 30 | 887 | 42.9 | 49.3 | 98 | 787 | 763.5 | 813 | 846.1 | 44 | 7∕8 | 3∕4 | 10 | 145 |
| 32 | 941 | 44.4 | 52.6 | 106 | 840 | 814.3 | 864 | 900.2 | 48 | 7∕8 | 3∕4 | 10 | 150 |
| 34 | 1 005 | 47.8 | 55.6 | 109 | 892 | 865.1 | 921 | 957.3 | 40 | 1 | 7∕8 | 10 | 165 |
| 36 | 1 057 | 50.8 | 57.2 | 116 | 945 | 915.9 | 972 | 1 009.6 | 44 | 1 | 7∕8 | 10 | 165 |
| 38 | 1 124 | 52.6 | 62 | 122 | 997 | 968.2 | 1 022 | 1 069.8 | 40 | 1 1∕8 | 1 | 10 | 185 |
| 40 | 1 175 | 54.1 | 65.3 | 127 | 1 049 | 1 019.0 | 1 080 | 1 120.6 | 44 | 1 1∕8 | 1 | 10 | 185 |
| 42 | 1 226 | 57.2 | 66.8 | 132 | 1 102 | 1 069.8 | 1 130 | 1 171.4 | 48 | 1 1∕8 | 1 | 11 | 190 |
| 44 | 1 276 | 58.9 | 69.8 | 135 | 1 153 | 1 120.6 | 1 181 | 1 222.2 | 52 | 1 1∕8 | 1 | 11 | 195 |
| 46 | 1 341 | 60.5 | 73.2 | 143 | 1 205 | 1 171.4 | 1 235 | 1 284.2 | 40 | 1 1∕4 | 1 1∕8 | 11 | 205 |
| 48 | 1 392 | 63.5 | 76.2 | 148 | 1 257 | 1 222.2 | 1 289 | 1 335.0 | 44 | 1 1∕4 | 1 1∕8 | 11 | 210 |
| 50 | 1 443 | 66.8 | 79.5 | 152 | 1 308 | 1 273.0 | 1 340 | 1 385.8 | 48 | 1 1∕4 | 1 1∕8 | 11 | 215 |
| 52 | 1 494 | 68.3 | 82.6 | 156 | 1 360 | 1 323.8 | 1 391 | 1 436.6 | 52 | 1 1∕4 | 1 1∕8 | 11 | 220 |
| 54 | 1 549 | 69.8 | 85.9 | 161 | 1 413 | 1 374.6 | 1 441 | 1 492.2 | 56 | 1 1∕4 | 1 1∕8 | 11 | 225 |
| 56 | 1 600 | 71.6 | 88.9 | 165 | 1 465 | 1 425.4 | 1 492 | 1 543.0 | 60 | 1 1∕4 | 1 1∕8 | 14 | 225 |
| 58 | 1 675 | 73.2 | 91.9 | 173 | 1 516 | 1 476.2 | 1 543 | 1 611.4 | 48 | 1 3∕8 | 1 1∕4 | 14 | 235 |
| 60 | 1 726 | 74.7 | 95.2 | 178 | 1 570 | 1 527.0 | 1 600 | 1 662.2 | 52 | 1 3∕8 | 1 1∕4 | 14 | 240 |
GENERAL NOTES:
(a) Dimensions are in millimeters unless otherwise noted.
NOTES:
(1) The minimum flange thickness does not include the raised face thickness.
(2) This dimension is for the large end of the hub, which may be straight or tapered.
(3) For welding and beveling.
(4) The length of the stud bolt does not include the height of the points.
(5) Bolt lengths not shown in the table may be determined in accordance with Nonmandatory Appendix D.

| Pipe | Minimum Thickness of Flange, tf [Note (1)] | Hub Data | Raised Face | Drilling | Radius | Length of Bolts, L [Notes (4), (5)]Stud Bolts | ||||||
| Nominal Pipe Size | O.D. of Flange, O | Weld Neck Flange | Length Through Hub, Y | Diam. of Hub, X [Note (2)] | Hub Diam. Top, A [Note (3)] | Raised Face Diam., R | Diam. of Bolt Circle | No. of Bolt Holes | Diam. of Bolt Hole, in. | Diam. of Bolt, in. | Minimum Fillet Radius, r1 | Raised Face 1.6 mm |
| 26 | 786 | 39.9 | 87 | 684 | 661.9 | 711 | 744.5 | 36 | 7∕8 | 3∕4 | 10 | 140 |
| 28 | 837 | 42.9 | 94 | 735 | 712.7 | 762 | 795.3 | 40 | 7∕8 | 3∕4 | 10 | 145 |
| 30 | 887 | 42.9 | 98 | 787 | 763.5 | 813 | 846.1 | 44 | 7∕8 | 3∕4 | 10 | 145 |
| 32 | 941 | 44.4 | 106 | 840 | 814.3 | 864 | 900.2 | 48 | 7∕8 | 3∕4 | 10 | 150 |
| 34 | 1 005 | 47.8 | 109 | 892 | 865.1 | 921 | 957.3 | 40 | 1 | 7∕8 | 10 | 165 |
| 36 | 1 057 | 50.8 | 116 | 945 | 915.9 | 972 | 1 009.6 | 44 | 1 | 7∕8 | 10 | 165 |
| 38 | 1 124 | 52.6 | 122 | 997 | 968.2 | 1 022 | 1 069.8 | 40 | 1 1∕8 | 1 | 10 | 185 |
| 40 | 1 175 | 54.1 | 127 | 1 049 | 1 019.0 | 1 080 | 1 120.6 | 44 | 1 1∕8 | 1 | 10 | 185 |
| 42 | 1 226 | 57.2 | 132 | 1 102 | 1 069.8 | 1 130 | 1 171.4 | 48 | 1 1∕8 | 1 | 11 | 190 |
| 44 | 1 276 | 58.9 | 135 | 1 153 | 1 120.6 | 1 181 | 1 222.2 | 52 | 1 1∕8 | 1 | 11 | 195 |
| 46 | 1 341 | 60.5 | 143 | 1 205 | 1 171.4 | 1 235 | 1 284.2 | 40 | 1 1∕4 | 1 1∕8 | 11 | 205 |
| 48 | 1 392 | 63.5 | 148 | 1 257 | 1 222.2 | 1 289 | 1 335.0 | 44 | 1 1∕4 | 1 1∕8 | 11 | 210 |
| 50 | 1 443 | 66.8 | 152 | 1 308 | 1 273.0 | 1 340 | 1 385.8 | 48 | 1 1∕4 | 1 1∕8 | 11 | 215 |
| 52 | 1 494 | 68.3 | 156 | 1 360 | 1 323.8 | 1 391 | 1 436.6 | 52 | 1 1∕4 | 1 1∕8 | 11 | 220 |
| 54 | 1 549 | 69.8 | 161 | 1 413 | 1 374.6 | 1 441 | 1 492.2 | 56 | 1 1∕4 | 1 1∕8 | 11 | 225 |
| 56 | 1 600 | 71.6 | 165 | 1 465 | 1 425.4 | 1 492 | 1 543.0 | 60 | 1 1∕4 | 1 1∕8 | 14 | 225 |
| 58 | 1 675 | 73.2 | 173 | 1 516 | 1 476.2 | 1 543 | 1 611.4 | 48 | 1 3∕8 | 1 1∕4 | 14 | 235 |
| 60 | 1 726 | 74.7 | 178 | 1 570 | 1 527.0 | 1 600 | 1 662.2 | 52 | 1 3∕8 | 1 1∕4 | 14 | 240 |
GENERAL NOTES:
(a) Dimensions are in millimeters unless otherwise noted.
NOTES:
(1) The minimum flange thickness does not include the raised face thickness.
(2) This dimension is for the large end of the hub, which may be straight or tapered.
(3) For welding and beveling.
(4) The length of the stud bolt does not include the height of the points.
(5) Bolt lengths not shown in the table may be determined in accordance with Nonmandatory Appendix D.

| Pipe | Minimum Thickness of Flange, tf [Note (1)] | Raised Face | Drilling | Length of Bolts, L [Notes (4), (5)]Stud Bolts | ||||
| Nominal Pipe Size | O.D. of Flange, O | Blind Flange | Raised Face Diam., R | Diam. of Bolt Circle | No. of Bolt Holes | Diam. of Bolt Hole, in. | Diam. of Bolt, in. | Raised Face 1.6 mm |
| 26 | 786 | 42.9 | 711 | 744.5 | 36 | 7∕8 | 3∕4 | 140 |
| 28 | 837 | 46.2 | 762 | 795.3 | 40 | 7∕8 | 3∕4 | 145 |
| 30 | 887 | 49.3 | 813 | 846.1 | 44 | 7∕8 | 3∕4 | 145 |
| 32 | 941 | 52.6 | 864 | 900.2 | 48 | 7∕8 | 3∕4 | 150 |
| 34 | 1 005 | 55.6 | 921 | 957.3 | 40 | 1 | 7∕8 | 165 |
| 36 | 1 057 | 57.2 | 972 | 1 009.6 | 44 | 1 | 7∕8 | 165 |
| 38 | 1 124 | 62 | 1 022 | 1 069.8 | 40 | 1 1∕8 | 1 | 185 |
| 40 | 1 175 | 65.3 | 1 080 | 1 120.6 | 44 | 1 1∕8 | 1 | 185 |
| 42 | 1 226 | 66.8 | 1 130 | 1 171.4 | 48 | 1 1∕8 | 1 | 190 |
| 44 | 1 276 | 69.8 | 1 181 | 1 222.2 | 52 | 1 1∕8 | 1 | 195 |
| 46 | 1 341 | 73.2 | 1 235 | 1 284.2 | 40 | 1 1∕4 | 1 1∕8 | 205 |
| 48 | 1 392 | 76.2 | 1 289 | 1 335.0 | 44 | 1 1∕4 | 1 1∕8 | 210 |
| 50 | 1 443 | 79.5 | 1 340 | 1 385.8 | 48 | 1 1∕4 | 1 1∕8 | 215 |
| 52 | 1 494 | 82.6 | 1 391 | 1 436.6 | 52 | 1 1∕4 | 1 1∕8 | 220 |
| 54 | 1 549 | 85.9 | 1 441 | 1 492.2 | 56 | 1 1∕4 | 1 1∕8 | 225 |
| 56 | 1 600 | 88.9 | 1 492 | 1 543.0 | 60 | 1 1∕4 | 1 1∕8 | 225 |
| 58 | 1 675 | 91.9 | 1 543 | 1 611.4 | 48 | 1 3∕8 | 1 1∕4 | 235 |
| 60 | 1 726 | 95.2 | 1 600 | 1 662.2 | 52 | 1 3∕8 | 1 1∕4 | 240 |
GENERAL NOTES:
(a) Dimensions are in millimeters unless otherwise noted.
NOTES:
(1) The minimum flange thickness does not include the raised face thickness.
(2) This dimension is for the large end of the hub, which may be straight or tapered.
(3) For welding and beveling.
(4) The length of the stud bolt does not include the height of the points.
(5) Bolt lengths not shown in the table may be determined in accordance with Nonmandatory Appendix D.

| Pipe | Minimum Thickness of Flange, tf [Note (1)] | Hub Data | Raised Face | Drilling | Radius | Length of Bolts, L [Notes (4), (5)]Stud Bolts | |||||||
| Nominal Pipe Size | O.D. of Flange, O | Weld Neck Flange | Blind Flange | Length Through Hub, Y | Diam. of Hub, X [Note (2)] | Hub Diam. Top, A [Note (3)] | Raised Face Diam., R | Diam. of Bolt Circle | No. of Bolt Holes | Diam. of Bolt Hole, in. | Diam. of Bolt, in. | Minimum Fillet Radius, r1 | Raised Face 1.6 mm |
| 26 | 867 | 87.4 | 87.4 | 143 | 702 | 665.2 | 737 | 803.1 | 32 | 1 3∕8 | 1 1∕4 | 14 | 270 |
| 28 | 921 | 87.4 | 87.4 | 148 | 756 | 716 | 787 | 857.2 | 36 | 1 3∕8 | 1 1∕4 | 14 | 270 |
| 30 | 991 | 92.2 | 92.2 | 156 | 813 | 768.4 | 845 | 920.8 | 36 | 1 1∕2 | 1 3∕8 | 14 | 285 |
| 32 | 1 054 | 101.6 | 101.6 | 167 | 864 | 819.2 | 902 | 977.9 | 32 | 1 5∕8 | 1 1∕2 | 16 | 310 |
| 34 | 1 108 | 101.6 | 101.6 | 171 | 917 | 870 | 952 | 1 031.7 | 36 | 1 5∕8 | 1 1∕2 | 16 | 310 |
| 36 | 1 171 | 101.6 | 101.6 | 179 | 965 | 920.8 | 1 010 | 1 089.2 | 32 | 1 3∕4 | 1 5∕8 | 16 | 320 |
| 38 | 1 222 | 109.5 | 109.5 | 190 | 1 016 | 971.6 | 1 060 | 1 140.0 | 36 | 1 3∕4 | 1 5∕8 | 16 | 335 |
| 40 | 1 273 | 114.3 | 114.3 | 197 | 1 067 | 1 022.4 | 1 115 | 1 190.8 | 40 | 1 3∕4 | 1 5∕8 | 16 | 345 |
| 42 | 1 334 | 117.6 | 117.6 | 203 | 1 118 | 1 074.7 | 1 168 | 1 244.6 | 36 | 1 7∕8 | 1 3∕4 | 16 | 355 |
| 44 | 1 384 | 125.5 | 125.5 | 213 | 1 173 | 1 125.5 | 1 219 | 1 295.4 | 40 | 1 7∕8 | 1 3∕4 | 16 | 370 |
| 46 | 1 460 | 127 | 128.5 | 221 | 1 229 | 1 176.3 | 1 270 | 1 365.2 | 36 | 2 | 1 7∕8 | 16 | 380 |
| 48 | 1 511 | 127 | 133.4 | 222 | 1 278 | 1 227.1 | 1 327 | 1 416.0 | 40 | 2 | 1 7∕8 | 16 | 380 |
| 50 | 1 562 | 136.7 | 138.2 | 233 | 1 330 | 1 277.9 | 1 378 | 1 466.8 | 44 | 2 | 1 7∕8 | 16 | 400 |
| 52 | 1 613 | 141.2 | 142.5 | 241 | 1 383 | 1 328.7 | 1 429 | 1 517.6 | 48 | 2 | 1 7∕8 | 16 | 410 |
| 54 | 1 673 | 135.1 | 147.6 | 238 | 1 435 | 1 379.5 | 1 480 | 1 577.8 | 48 | 2 | 1 7∕8 | 16 | 400 |
| 56 | 1 765 | 152.4 | 155.4 | 267 | 1 494 | 1 430.3 | 1 537 | 1 651.0 | 36 | 2 3∕8 | 2 1∕4 | 17 | 450 |
| 58 | 1 827 | 152.4 | 160.3 | 273 | 1 548 | 1 481.1 | 1 594 | 1 713.0 | 40 | 2 3∕8 | 2 1∕4 | 17 | 450 |
| 60 | 1 878 | 149.4 | 165.1 | 270 | 1 599 | 1 531.9 | 1 651 | 1 763.8 | 40 | 2 3∕8 | 2 1∕4 | 17 | 450 |
GENERAL NOTES:
(a) Dimensions are in millimeters unless otherwise noted.
NOTES:
(1) The minimum flange thickness does not include the raised face thickness.
(2) This dimension is for the large end of the hub, which may be straight or tapered.
(3) For welding and beveling.
(4) The length of the stud bolt does not include the height of the points.
(5) Bolt lengths not shown in the table may be determined in accordance with Nonmandatory Appendix D.

| Pipe | Minimum Thickness of Flange, tf [Note (1)] | Hub Data | Raised Face | Drilling | Radius | Length of Bolts, L [Notes (4), (5)]Stud Bolts | ||||||
| Nominal Pipe Size | O.D. of Flange, O | Weld Neck Flange | Length Through Hub, Y | Diam. of Hub, X [Note (2)] | Hub Diam. Top, A [Note (3)] | Raised Face Diam., R | Diam. of Bolt Circle | No. of Bolt Holes | Diam. of Bolt Hole, in. | Diam. of Bolt, in. | Minimum Fillet Radius, r1 | Raised Face 1.6 mm |
| 26 | 867 | 87.4 | 143 | 702 | 665.2 | 737 | 803.1 | 32 | 1 3∕8 | 1 1∕4 | 14 | 270 |
| 28 | 921 | 87.4 | 148 | 756 | 716 | 787 | 857.2 | 36 | 1 3∕8 | 1 1∕4 | 14 | 270 |
| 30 | 991 | 92.2 | 156 | 813 | 768.4 | 845 | 920.8 | 36 | 1 1∕2 | 1 3∕8 | 14 | 285 |
| 32 | 1 054 | 101.6 | 167 | 864 | 819.2 | 902 | 977.9 | 32 | 1 5∕8 | 1 1∕2 | 16 | 310 |
| 34 | 1 108 | 101.6 | 171 | 917 | 870 | 952 | 1 031.7 | 36 | 1 5∕8 | 1 1∕2 | 16 | 310 |
| 36 | 1 171 | 101.6 | 179 | 965 | 920.8 | 1 010 | 1 089.2 | 32 | 1 3∕4 | 1 5∕8 | 16 | 320 |
| 38 | 1 222 | 109.5 | 190 | 1 016 | 971.6 | 1 060 | 1 140.0 | 36 | 1 3∕4 | 1 5∕8 | 16 | 335 |
| 40 | 1 273 | 114.3 | 197 | 1 067 | 1 022.4 | 1 115 | 1 190.8 | 40 | 1 3∕4 | 1 5∕8 | 16 | 345 |
| 42 | 1 334 | 117.6 | 203 | 1 118 | 1 074.7 | 1 168 | 1 244.6 | 36 | 1 7∕8 | 1 3∕4 | 16 | 355 |
| 44 | 1 384 | 125.5 | 213 | 1 173 | 1 125.5 | 1 219 | 1 295.4 | 40 | 1 7∕8 | 1 3∕4 | 16 | 370 |
| 46 | 1 460 | 127 | 221 | 1 229 | 1 176.3 | 1 270 | 1 365.2 | 36 | 2 | 1 7∕8 | 16 | 380 |
| 48 | 1 511 | 127 | 222 | 1 278 | 1 227.1 | 1 327 | 1 416.0 | 40 | 2 | 1 7∕8 | 16 | 380 |
| 50 | 1 562 | 136.7 | 233 | 1 330 | 1 277.9 | 1 378 | 1 466.8 | 44 | 2 | 1 7∕8 | 16 | 400 |
| 52 | 1 613 | 141.2 | 241 | 1 383 | 1 328.7 | 1 429 | 1 517.6 | 48 | 2 | 1 7∕8 | 16 | 410 |
| 54 | 1 673 | 135.1 | 238 | 1 435 | 1 379.5 | 1 480 | 1 577.8 | 48 | 2 | 1 7∕8 | 16 | 400 |
| 56 | 1 765 | 152.4 | 267 | 1 494 | 1 430.3 | 1 537 | 1 651.0 | 36 | 2 3∕8 | 2 1∕4 | 17 | 450 |
| 58 | 1 827 | 152.4 | 273 | 1 548 | 1 481.1 | 1 594 | 1 713.0 | 40 | 2 3∕8 | 2 1∕4 | 17 | 450 |
| 60 | 1 878 | 149.4 | 270 | 1 599 | 1 531.9 | 1 651 | 1 763.8 | 40 | 2 3∕8 | 2 1∕4 | 17 | 450 |
GENERAL NOTES:
(a) Dimensions are in millimeters unless otherwise noted.
NOTES:
(1) The minimum flange thickness does not include the raised face thickness.
(2) This dimension is for the large end of the hub, which may be straight or tapered.
(3) For welding and beveling.
(4) The length of the stud bolt does not include the height of the points.
(5) Bolt lengths not shown in the table may be determined in accordance with Nonmandatory Appendix D.

| Pipe | Minimum Thickness of Flange, tf [Note (1)] | Raised Face | Drilling | Length of Bolts, L [Notes (4), (5)]Stud Bolts | ||||
| Nominal Pipe Size | O.D. of Flange, O | Blind Flange | Raised Face Diam., R | Diam. of Bolt Circle | No. of Bolt Holes | Diam. of Bolt Hole, in. | Diam. of Bolt, in. | Raised Face 1.6 mm |
| 26 | 867 | 87.4 | 737 | 803.1 | 32 | 1 3∕8 | 1 1∕4 | 270 |
| 28 | 921 | 87.4 | 787 | 857.2 | 36 | 1 3∕8 | 1 1∕4 | 270 |
| 30 | 991 | 92.2 | 845 | 920.8 | 36 | 1 1∕2 | 1 3∕8 | 285 |
| 32 | 1 054 | 101.6 | 902 | 977.9 | 32 | 1 5∕8 | 1 1∕2 | 310 |
| 34 | 1 108 | 101.6 | 952 | 1 031.7 | 36 | 1 5∕8 | 1 1∕2 | 310 |
| 36 | 1 171 | 101.6 | 1 010 | 1 089.2 | 32 | 1 3∕4 | 1 5∕8 | 320 |
| 38 | 1 222 | 109.5 | 1 060 | 1 140.0 | 36 | 1 3∕4 | 1 5∕8 | 335 |
| 40 | 1 273 | 114.3 | 1 115 | 1 190.8 | 40 | 1 3∕4 | 1 5∕8 | 345 |
| 42 | 1 334 | 117.6 | 1 168 | 1 244.6 | 36 | 1 7∕8 | 1 3∕4 | 355 |
| 44 | 1 384 | 125.5 | 1 219 | 1 295.4 | 40 | 1 7∕8 | 1 3∕4 | 370 |
| 46 | 1 460 | 128.5 | 1 270 | 1 365.2 | 36 | 2 | 1 7∕8 | 380 |
| 48 | 1 511 | 133.4 | 1 327 | 1 416.0 | 40 | 2 | 1 7∕8 | 380 |
| 50 | 1 562 | 138.2 | 1 378 | 1 466.8 | 44 | 2 | 1 7∕8 | 400 |
| 52 | 1 613 | 142.5 | 1 429 | 1 517.6 | 48 | 2 | 1 7∕8 | 410 |
| 54 | 1 673 | 147.6 | 1 480 | 1 577.8 | 48 | 2 | 1 7∕8 | 400 |
| 56 | 1 765 | 155.4 | 1 537 | 1 651.0 | 36 | 2 3∕8 | 2 1∕4 | 450 |
| 58 | 1 827 | 160.3 | 1 594 | 1 713.0 | 40 | 2 3∕8 | 2 1∕4 | 450 |
| 60 | 1 878 | 165.1 | 1 651 | 1 763.8 | 40 | 2 3∕8 | 2 1∕4 | 450 |
GENERAL NOTES:
(a) Dimensions are in millimeters unless otherwise noted.
NOTES:
(1) The minimum flange thickness does not include the raised face thickness.
(2) This dimension is for the large end of the hub, which may be straight or tapered.
(3) For welding and beveling.
(4) The length of the stud bolt does not include the height of the points.
(5) Bolt lengths not shown in the table may be determined in accordance with Nonmandatory Appendix D.

| Pipe | Minimum Thickness of Flange, tf [Note (1)] | Hub Data | Raised Face | Drilling | Radius | Length of Bolts, L [Notes (4), (5)]Stud Bolts | |||||||
| Nominal Pipe Size | O.D. of Flange, O | Weld Neck Flange | Blind Flange | Length Through Hub, Y | Diam. of Hub, X [Note (2)] | Hub Diam. Top, A [Note (3)] | Raised Face Diam., R | Diam. of Bolt Circle | No. of Bolt Holes | Diam. of Bolt Hole, in. | Diam. of Bolt, in. | Minimum Fillet Radius, r1 | Raised Face 6.4 mm |
| 26 | 851 | 88.9 | 88.9 | 149 | 689 | 660.4 | 711 | 781 | 28 | 1 1∕2 | 1 3∕8 | 11 | 290 |
| 28 | 914 | 95.2 | 95.2 | 159 | 740 | 711.2 | 762 | 838.2 | 24 | 1 5∕8 | 1 1∕2 | 13 | 310 |
| 30 | 972 | 101.6 | 101.6 | 170 | 794 | 762 | 819 | 895.4 | 28 | 1 5∕8 | 1 1∕2 | 13 | 320 |
| 32 | 1 035 | 108 | 108 | 179 | 845 | 812.8 | 873 | 952.5 | 28 | 1 3∕4 | 1 5∕8 | 13 | 345 |
| 34 | 1 086 | 111.3 | 111.3 | 187 | 899 | 863.6 | 927 | 1 003.3 | 32 | 1 3∕4 | 1 5∕8 | 14 | 345 |
| 36 | 1 156 | 119.1 | 119.1 | 200 | 952 | 914.4 | 981 | 1 066.8 | 28 | 1 7∕8 | 1 3∕4 | 14 | 370 |
| 38 | … | … | … | … | … | … | … | … | … | … | … | … | … |
| 40 | … | … | … | … | … | … | … | … | … | … | … | … | … |
| 42 | … | … | … | … | … | … | … | … | … | … | … | … | … |
| 44 | … | … | … | … | … | … | … | … | … | … | … | … | … |
| 46 | … | … | … | … | … | … | … | … | … | … | … | … | … |
| 48 | … | … | … | … | … | … | … | … | … | … | … | … | … |
| 50 | … | … | … | … | … | … | … | … | … | … | … | … | … |
| 52 | … | … | … | … | … | … | … | … | … | … | … | … | … |
| 54 | … | … | … | … | … | … | … | … | … | … | … | … | … |
| 56 | … | … | … | … | … | … | … | … | … | … | … | … | … |
| 58 | … | … | … | … | … | … | … | … | … | … | … | … | … |
| 60 | … | … | … | … | … | … | … | … | … | … | … | … | … |
GENERAL NOTES:
(a) Dimensions are in millimeters unless otherwise noted.
NOTES:
(1) The minimum flange thickness does not include the raised face thickness.
(2) This dimension is for the large end of the hub, which may be straight or tapered.
(3) For welding and beveling.
(4) The length of the stud bolt does not include the height of the points.
(5) Bolt lengths not shown in the table may be determined in accordance with Nonmandatory Appendix D.

| Pipe | Minimum Thickness of Flange, tf [Note (1)] | Hub Data | Raised Face | Drilling | Radius | Length of Bolts, L [Notes (4), (5)]Stud Bolts | ||||||
| Nominal Pipe Size | O.D. of Flange, O | Weld Neck Flange | Length Through Hub, Y | Diam. of Hub, X [Note (2)] | Hub Diam. Top, A [Note (3)] | Raised Face Diam., R | Diam. of Bolt Circle | No. of Bolt Holes | Diam. of Bolt Hole, in. | Diam. of Bolt, in. | Minimum Fillet Radius, r1 | Raised Face 6.4 mm |
| 26 | 851 | 88.9 | 149 | 689 | 660.4 | 711 | 781 | 28 | 1 1∕2 | 1 3∕8 | 11 | 290 |
| 28 | 914 | 95.2 | 159 | 740 | 711.2 | 762 | 838.2 | 24 | 1 5∕8 | 1 1∕2 | 13 | 310 |
| 30 | 972 | 101.6 | 170 | 794 | 762 | 819 | 895.4 | 28 | 1 5∕8 | 1 1∕2 | 13 | 320 |
| 32 | 1 035 | 108 | 179 | 845 | 812.8 | 873 | 952.5 | 28 | 1 3∕4 | 1 5∕8 | 13 | 345 |
| 34 | 1 086 | 111.3 | 187 | 899 | 863.6 | 927 | 1 003.3 | 32 | 1 3∕4 | 1 5∕8 | 14 | 345 |
| 36 | 1 156 | 119.1 | 200 | 952 | 914.4 | 981 | 1 066.8 | 28 | 1 7∕8 | 1 3∕4 | 14 | 370 |
| 38 | … | … | … | … | … | … | … | … | … | … | … | … |
| 40 | … | … | … | … | … | … | … | … | … | … | … | … |
| 42 | … | … | … | … | … | … | … | … | … | … | … | … |
| 44 | … | … | … | … | … | … | … | … | … | … | … | … |
| 46 | … | … | … | … | … | … | … | … | … | … | … | … |
| 48 | … | … | … | … | … | … | … | … | … | … | … | … |
| 50 | … | … | … | … | … | … | … | … | … | … | … | … |
| 52 | … | … | … | … | … | … | … | … | … | … | … | … |
| 54 | … | … | … | … | … | … | … | … | … | … | … | … |
| 56 | … | … | … | … | … | … | … | … | … | … | … | … |
| 58 | … | … | … | … | … | … | … | … | … | … | … | … |
| 60 | … | … | … | … | … | … | … | … | … | … | … | … |
GENERAL NOTES:
(a) Dimensions are in millimeters unless otherwise noted.
NOTES:
(1) The minimum flange thickness does not include the raised face thickness.
(2) This dimension is for the large end of the hub, which may be straight or tapered.
(3) For welding and beveling.
(4) The length of the stud bolt does not include the height of the points.
(5) Bolt lengths not shown in the table may be determined in accordance with Nonmandatory Appendix D.

| Pipe | Minimum Thickness of Flange, tf [Note (1)] | Raised Face | Drilling | Length of Bolts, L [Notes (4), (5)]Stud Bolts | ||||
| Nominal Pipe Size | O.D. of Flange, O | Blind Flange | Raised Face Diam., R | Diam. of Bolt Circle | No. of Bolt Holes | Diam. of Bolt Hole, in. | Diam. of Bolt, in. | Raised Face 6.4 mm |
| 26 | 851 | 88.9 | 711 | 781 | 28 | 1 1∕2 | 1 3∕8 | 290 |
| 28 | 914 | 95.2 | 762 | 838.2 | 24 | 1 5∕8 | 1 1∕2 | 310 |
| 30 | 972 | 101.6 | 819 | 895.4 | 28 | 1 5∕8 | 1 1∕2 | 320 |
| 32 | 1 035 | 108 | 873 | 952.5 | 28 | 1 3∕4 | 1 5∕8 | 345 |
| 34 | 1 086 | 111.3 | 927 | 1 003.3 | 32 | 1 3∕4 | 1 5∕8 | 345 |
| 36 | 1 156 | 119.1 | 981 | 1 066.8 | 28 | 1 7∕8 | 1 3∕4 | 370 |
| 38 | … | … | … | … | … | … | … | … |
| 40 | … | … | … | … | … | … | … | … |
| 42 | … | … | … | … | … | … | … | … |
| 44 | … | … | … | … | … | … | … | … |
| 46 | … | … | … | … | … | … | … | … |
| 48 | … | … | … | … | … | … | … | … |
| 50 | … | … | … | … | … | … | … | … |
| 52 | … | … | … | … | … | … | … | … |
| 54 | … | … | … | … | … | … | … | … |
| 56 | … | … | … | … | … | … | … | … |
| 58 | … | … | … | … | … | … | … | … |
| 60 | … | … | … | … | … | … | … | … |
GENERAL NOTES:
(a) Dimensions are in millimeters unless otherwise noted.
NOTES:
(1) The minimum flange thickness does not include the raised face thickness.
(2) This dimension is for the large end of the hub, which may be straight or tapered.
(3) For welding and beveling.
(4) The length of the stud bolt does not include the height of the points.
(5) Bolt lengths not shown in the table may be determined in accordance with Nonmandatory Appendix D.

| Pipe | Minimum Thickness of Flange, tf [Note (1)] | Hub Data | Raised Face | Drilling | Radius | Length of Bolts, L [Notes (4), (5)]Stud Bolts | |||||||
| Nominal Pipe Size | O.D. of Flange, O | Weld Neck Flange | Blind Flange | Length Through Hub, Y | Diam. of Hub, X [Note (2)] | Hub Diam. Top, A [Note (3)] | Raised Face Diam., R | Diam. of Bolt Circle | No. of Bolt Holes | Diam. of Bolt Hole, in. | Diam. of Bolt, in. | Minimum Fillet Radius, r1 | Raised Face 6.4 mm |
| 26 | 889 | 111.3 | 111.3 | 181 | 698 | 660.4 | 727 | 806.4 | 28 | 1 3∕4 | 1 5∕8 | 13 | 360 |
| 28 | 952 | 115.8 | 115.8 | 190 | 752 | 711.2 | 784 | 863.6 | 28 | 1 7∕8 | 1 3∕4 | 13 | 375 |
| 30 | 1 022 | 125.5 | 127 | 205 | 806 | 762 | 841 | 927.1 | 28 | 2 | 1 7∕8 | 13 | 395 |
| 32 | 1 086 | 130 | 134.9 | 216 | 861 | 812.8 | 895 | 984.2 | 28 | 2 1∕8 | 2 | 13 | 415 |
| 34 | 1 162 | 141.2 | 144.3 | 233 | 914 | 863.6 | 952 | 1 054.1 | 24 | 2 3∕8 | 2 1∕4 | 14 | 440 |
| 36 | 1 213 | 146 | 150.9 | 243 | 968 | 914.4 | 1 010 | 1 104.9 | 28 | 2 3∕8 | 2 1∕4 | 14 | 460 |
| 38 | … | … | … | … | … | … | … | … | … | … | … | … | … |
| 40 | … | … | … | … | … | … | … | … | … | … | … | … | … |
| 42 | … | … | … | … | … | … | … | … | … | … | … | … | … |
| 44 | … | … | … | … | … | … | … | … | … | … | … | … | … |
| 46 | … | … | … | … | … | … | … | … | … | … | … | … | … |
| 48 | … | … | … | … | … | … | … | … | … | … | … | … | … |
| 50 | … | … | … | … | … | … | … | … | … | … | … | … | … |
| 52 | … | … | … | … | … | … | … | … | … | … | … | … | … |
| 54 | … | … | … | … | … | … | … | … | … | … | … | … | … |
| 56 | … | … | … | … | … | … | … | … | … | … | … | … | … |
| 58 | … | … | … | … | … | … | … | … | … | … | … | … | … |
| 60 | … | … | … | … | … | … | … | … | … | … | … | … | … |
GENERAL NOTES:
(a) Dimensions are in millimeters unless otherwise noted.
NOTES:
(1) The minimum flange thickness does not include the raised face thickness.
(2) This dimension is for the large end of the hub, which may be straight or tapered.
(3) For welding and beveling.
(4) The length of the stud bolt does not include the height of the points.
(5) Bolt lengths not shown in the table may be determined in accordance with Nonmandatory Appendix D.

| Pipe | Minimum Thickness of Flange, tf [Note (1)] | Hub Data | Raised Face | Drilling | Radius | Length of Bolts, L [Notes (4), (5)]Stud Bolts | ||||||
| Nominal Pipe Size | O.D. of Flange, O | Weld Neck Flange | Length Through Hub, Y | Diam. of Hub, X [Note (2)] | Hub Diam. Top, A [Note (3)] | Raised Face Diam., R | Diam. of Bolt Circle | No. of Bolt Holes | Diam. of Bolt Hole, in. | Diam. of Bolt, in. | Minimum Fillet Radius, r1 | Raised Face 6.4 mm |
| 26 | 889 | 111.3 | 181 | 698 | 660.4 | 727 | 806.4 | 28 | 1 3∕4 | 1 5∕8 | 13 | 360 |
| 28 | 952 | 115.8 | 190 | 752 | 711.2 | 784 | 863.6 | 28 | 1 7∕8 | 1 3∕4 | 13 | 375 |
| 30 | 1 022 | 125.5 | 205 | 806 | 762 | 841 | 927.1 | 28 | 2 | 1 7∕8 | 13 | 395 |
| 32 | 1 086 | 130 | 216 | 861 | 812.8 | 895 | 984.2 | 28 | 2 1∕8 | 2 | 13 | 415 |
| 34 | 1 162 | 141.2 | 233 | 914 | 863.6 | 952 | 1 054.1 | 24 | 2 3∕8 | 2 1∕4 | 14 | 440 |
| 36 | 1 213 | 146 | 243 | 968 | 914.4 | 1 010 | 1 104.9 | 28 | 2 3∕8 | 2 1∕4 | 14 | 460 |
| 38 | … | … | … | … | … | … | … | … | … | … | … | … |
| 40 | … | … | … | … | … | … | … | … | … | … | … | … |
| 42 | … | … | … | … | … | … | … | … | … | … | … | … |
| 44 | … | … | … | … | … | … | … | … | … | … | … | … |
| 46 | … | … | … | … | … | … | … | … | … | … | … | … |
| 48 | … | … | … | … | … | … | … | … | … | … | … | … |
| 50 | … | … | … | … | … | … | … | … | … | … | … | … |
| 52 | … | … | … | … | … | … | … | … | … | … | … | … |
| 54 | … | … | … | … | … | … | … | … | … | … | … | … |
| 56 | … | … | … | … | … | … | … | … | … | … | … | … |
| 58 | … | … | … | … | … | … | … | … | … | … | … | … |
| 60 | … | … | … | … | … | … | … | … | … | … | … | … |
GENERAL NOTES:
(a) Dimensions are in millimeters unless otherwise noted.
NOTES:
(1) The minimum flange thickness does not include the raised face thickness.
(2) This dimension is for the large end of the hub, which may be straight or tapered.
(3) For welding and beveling.
(4) The length of the stud bolt does not include the height of the points.
(5) Bolt lengths not shown in the table may be determined in accordance with Nonmandatory Appendix D.

| Pipe | Minimum Thickness of Flange, tf [Note (1)] | Raised Face | Drilling | Length of Bolts, L [Notes (4), (5)]Stud Bolts | ||||
| Nominal Pipe Size | O.D. of Flange, O | Blind Flange | Raised Face Diam., R | Diam. of Bolt Circle | No. of Bolt Holes | Diam. of Bolt Hole, in. | Diam. of Bolt, in. | Raised Face 6.4 mm |
| 26 | 889 | 111.3 | 727 | 806.4 | 28 | 1 3∕4 | 1 5∕8 | 360 |
| 28 | 952 | 115.8 | 784 | 863.6 | 28 | 1 7∕8 | 1 3∕4 | 375 |
| 30 | 1 022 | 127 | 841 | 927.1 | 28 | 2 | 1 7∕8 | 395 |
| 32 | 1 086 | 134.9 | 895 | 984.2 | 28 | 2 1∕8 | 2 | 415 |
| 34 | 1 162 | 144.3 | 952 | 1 054.1 | 24 | 2 3∕8 | 2 1∕4 | 440 |
| 36 | 1 213 | 150.9 | 1 010 | 1 104.9 | 28 | 2 3∕8 | 2 1∕4 | 460 |
| 38 | … | … | … | … | … | … | … | … |
| 40 | … | … | … | … | … | … | … | … |
| 42 | … | … | … | … | … | … | … | … |
| 44 | … | … | … | … | … | … | … | … |
| 46 | … | … | … | … | … | … | … | … |
| 48 | … | … | … | … | … | … | … | … |
| 50 | … | … | … | … | … | … | … | … |
| 52 | … | … | … | … | … | … | … | … |
| 54 | … | … | … | … | … | … | … | … |
| 56 | … | … | … | … | … | … | … | … |
| 58 | … | … | … | … | … | … | … | … |
| 60 | … | … | … | … | … | … | … | … |
GENERAL NOTES:
(a) Dimensions are in millimeters unless otherwise noted.
NOTES:
(1) The minimum flange thickness does not include the raised face thickness.
(2) This dimension is for the large end of the hub, which may be straight or tapered.
(3) For welding and beveling.
(4) The length of the stud bolt does not include the height of the points.
(5) Bolt lengths not shown in the table may be determined in accordance with Nonmandatory Appendix D.

| Pipe | Minimum Thickness of Flange, tf [Note (1)] | Hub Data | Raised Face | Drilling | Radius | Length of Bolts, L [Notes (4), (5)]Stud Bolts | |||||||
| Nominal Pipe Size | O.D. of Flange, O | Weld Neck Flange | Blind Flange | Length Through Hub, Y | Diam. of Hub, X [Note (2)] | Hub Diam. Top, A [Note (3)] | Raised Face Diam., R | Diam. of Bolt Circle | No. of Bolt Holes | Diam. of Bolt Hole, in. | Diam. of Bolt, in. | Minimum Fillet Radius, r1 | Raised Face 6.4 mm |
| 26 | 1 022 | 134.9 | 153.9 | 259 | 743 | 660.4 | 762 | 901.7 | 20 | 2 5∕8 | 2 1∕2 | 11 | 450 |
| 28 | 1 105 | 147.6 | 166.6 | 276 | 797 | 711.2 | 819 | 971.6 | 20 | 2 7∕8 | 2 3∕4 | 13 | 495 |
| 30 | 1 181 | 155.4 | 176 | 289 | 851 | 762 | 876 | 1 035.0 | 20 | 3 1∕8 | 3 | 13 | 510 |
| 32 | 1 238 | 160.3 | 185.7 | 303 | 908 | 812.8 | 927 | 1 092.2 | 20 | 3 1∕8 | 3 | 13 | 530 |
| 34 | 1 314 | 171.4 | 195 | 319 | 962 | 863.6 | 991 | 1 155.7 | 20 | 3 3∕8 | 3 1∕4 | 14 | 565 |
| 36 | 1 346 | 173 | 201.7 | 325 | 1 016 | 914.4 | 1 029 | 1 200.2 | 24 | 3 1∕8 | 3 | 14 | 570 |
| 38 | … | … | … | … | … | … | … | … | … | … | … | … | … |
| 40 | … | … | … | … | … | … | … | … | … | … | … | … | … |
| 42 | … | … | … | … | … | … | … | … | … | … | … | … | … |
| 44 | … | … | … | … | … | … | … | … | … | … | … | … | … |
| 46 | … | … | … | … | … | … | … | … | … | … | … | … | … |
| 48 | … | … | … | … | … | … | … | … | … | … | … | … | … |
| 50 | … | … | … | … | … | … | … | … | … | … | … | … | … |
| 52 | … | … | … | … | … | … | … | … | … | … | … | … | … |
| 54 | … | … | … | … | … | … | … | … | … | … | … | … | … |
| 56 | … | … | … | … | … | … | … | … | … | … | … | … | … |
| 58 | … | … | … | … | … | … | … | … | … | … | … | … | … |
| 60 | … | … | … | … | … | … | … | … | … | … | … | … | … |
GENERAL NOTES:
(a) Dimensions are in millimeters unless otherwise noted.
NOTES:
(1) The minimum flange thickness does not include the raised face thickness.
(2) This dimension is for the large end of the hub, which may be straight or tapered.
(3) For welding and beveling.
(4) The length of the stud bolt does not include the height of the points.
(5) Bolt lengths not shown in the table may be determined in accordance with Nonmandatory Appendix D.

| Pipe | Minimum Thickness of Flange, tf [Note (1)] | Hub Data | Raised Face | Drilling | Radius | Length of Bolts, L [Notes (4), (5)]Stud Bolts | ||||||
| Nominal Pipe Size | O.D. of Flange, O | Weld Neck Flange | Length Through Hub, Y | Diam. of Hub, X [Note (2)] | Hub Diam. Top, A [Note (3)] | Raised Face Diam., R | Diam. of Bolt Circle | No. of Bolt Holes | Diam. of Bolt Hole, in. | Diam. of Bolt, in. | Minimum Fillet Radius, r1 | Raised Face 6.4 mm |
| 26 | 1 022 | 134.9 | 259 | 743 | 660.4 | 762 | 901.7 | 20 | 2 5∕8 | 2 1∕2 | 11 | 450 |
| 28 | 1 105 | 147.6 | 276 | 797 | 711.2 | 819 | 971.6 | 20 | 2 7∕8 | 2 3∕4 | 13 | 495 |
| 30 | 1 181 | 155.4 | 289 | 851 | 762 | 876 | 1 035.0 | 20 | 3 1∕8 | 3 | 13 | 510 |
| 32 | 1 238 | 160.3 | 303 | 908 | 812.8 | 927 | 1 092.2 | 20 | 3 1∕8 | 3 | 13 | 530 |
| 34 | 1 314 | 171.4 | 319 | 962 | 863.6 | 991 | 1 155.7 | 20 | 3 3∕8 | 3 1∕4 | 14 | 565 |
| 36 | 1 346 | 173 | 325 | 1 016 | 914.4 | 1 029 | 1 200.2 | 24 | 3 1∕8 | 3 | 14 | 570 |
| 38 | … | … | … | … | … | … | … | … | … | … | … | … |
| 40 | … | … | … | … | … | … | … | … | … | … | … | … |
| 42 | … | … | … | … | … | … | … | … | … | … | … | … |
| 44 | … | … | … | … | … | … | … | … | … | … | … | … |
| 46 | … | … | … | … | … | … | … | … | … | … | … | … |
| 48 | … | … | … | … | … | … | … | … | … | … | … | … |
| 50 | … | … | … | … | … | … | … | … | … | … | … | … |
| 52 | … | … | … | … | … | … | … | … | … | … | … | … |
| 54 | … | … | … | … | … | … | … | … | … | … | … | … |
| 56 | … | … | … | … | … | … | … | … | … | … | … | … |
| 58 | … | … | … | … | … | … | … | … | … | … | … | … |
| 60 | … | … | … | … | … | … | … | … | … | … | … | … |
GENERAL NOTES:
(a) Dimensions are in millimeters unless otherwise noted.
NOTES:
(1) The minimum flange thickness does not include the raised face thickness.
(2) This dimension is for the large end of the hub, which may be straight or tapered.
(3) For welding and beveling.
(4) The length of the stud bolt does not include the height of the points.
(5) Bolt lengths not shown in the table may be determined in accordance with Nonmandatory Appendix D.

| Pipe | Minimum Thickness of Flange, tf [Note (1)] | Raised Face | Drilling | Length of Bolts, L [Notes (4), (5)]Stud Bolts | ||||
| Nominal Pipe Size | O.D. of Flange, O | Blind Flange | Raised Face Diam., R | Diam. of Bolt Circle | No. of Bolt Holes | Diam. of Bolt Hole, in. | Diam. of Bolt, in. | Raised Face 6.4 mm |
| 26 | 1 022 | 153.9 | 762 | 901.7 | 20 | 2 5∕8 | 2 1∕2 | 450 |
| 28 | 1 105 | 166.6 | 819 | 971.6 | 20 | 2 7∕8 | 2 3∕4 | 495 |
| 30 | 1 181 | 176 | 876 | 1 035.0 | 20 | 3 1∕8 | 3 | 510 |
| 32 | 1 238 | 185.7 | 927 | 1 092.2 | 20 | 3 1∕8 | 3 | 530 |
| 34 | 1 314 | 195 | 991 | 1 155.7 | 20 | 3 3∕8 | 3 1∕4 | 565 |
| 36 | 1 346 | 201.7 | 1 029 | 1 200.2 | 24 | 3 1∕8 | 3 | 570 |
| 38 | … | … | … | … | … | … | … | … |
| 40 | … | … | … | … | … | … | … | … |
| 42 | … | … | … | … | … | … | … | … |
| 44 | … | … | … | … | … | … | … | … |
| 46 | … | … | … | … | … | … | … | … |
| 48 | … | … | … | … | … | … | … | … |
| 50 | … | … | … | … | … | … | … | … |
| 52 | … | … | … | … | … | … | … | … |
| 54 | … | … | … | … | … | … | … | … |
| 56 | … | … | … | … | … | … | … | … |
| 58 | … | … | … | … | … | … | … | … |
| 60 | … | … | … | … | … | … | … | … |
GENERAL NOTES:
(a) Dimensions are in millimeters unless otherwise noted.
NOTES:
(1) The minimum flange thickness does not include the raised face thickness.
(2) This dimension is for the large end of the hub, which may be straight or tapered.
(3) For welding and beveling.
(4) The length of the stud bolt does not include the height of the points.
(5) Bolt lengths not shown in the table may be determined in accordance with Nonmandatory Appendix D.