Views: 5 Author: Site Editor Publish Time: 2026-02-04 Origin: Site
ASME B16.47 specifies the dimensions, tolerances, materials, marking, and pressure ratings for large-diameter pipe flanges in sizes NPS 26 (DN 650) through NPS 60 (DN 1500). This standard covers flanges with pressure classes 75, 150, 300, 400, 600, and 900.
ASME B16.47 standard is limited to weld neck flanges and blind flanges.

ASME/ANSI B16.5 provides:
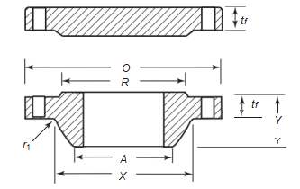
Weld neck flange
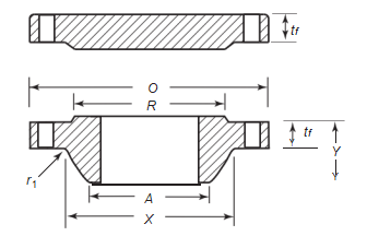
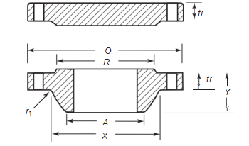
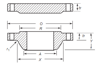
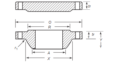
Blind flange
MARKING
Name: Manufacturer’s name or trademark
Material: Cast or Forged, material standard ASTM xxx.
Pressure Ratings: (i.e., Class 75, 150, 300, 400, 600, or 900).
Conformance: ASME B16 or B16.47 standard.
Temperature: If a temperature is noted, indicate the corresponding pressure rating.
Size: NPS
Ring Joint Flanges: Shall be marked with letter R and ring groove number.
Multiple Material Marking: In case multiple material used.
ASME B16.47 Series A Flanges, by Class | |||||
150 | 300 | 400 | 600 | 900 | - |
ASME B16.47 Series B Flanges, by Class | |||||
75 | 150 | 300 | 400 | 600 | 900 |
MATERIALS
ASTM A105 | ASTM A350 | ASTM A182 | ASTM A216 | ASTM A352 | ASTM A217 | ASTM A351 | ASTM A240 |
ASTM A515 | ASTM A537 | ASTM A203 | ASTM A515 | ASTM A203 | ASTM A204 | ASTM A387 | / |
Plate material can only be used for blind flanges
Table 1 Dimensions of Ring-Joint Facings

Nominal Pipe Size for Class |
Groove Number | Groove Dimensions |
Radius at Bottom, R | Diameter of Raised Portion, K | |||||
Pitch Diameter, P | Depth, E | Width, F | |||||||
300 | 400 | 600 | 900 | ||||||
26 | 26 | 26 | . . . | R93 | 749.30 | 12.70 | 19.84 | 1.5 | 810 |
28 | 28 | 28 | . . . | R94 | 800.10 | 12.70 | 19.84 | 1.5 | 861 |
30 | 30 | 30 | . . . | R95 | 857.25 | 12.70 | 19.84 | 1.5 | 917 |
32 | 32 | 32 | . . . | R96 | 914.40 | 14.27 | 23.01 | 1.5 | 984 |
34 | 34 | 34 | . . . | R97 | 965.20 | 14.27 | 23.01 | 1.5 | 1 035 |
36 | 36 | 36 | . . . | R98 | 1 022.35 | 14.27 | 23.01 | 1.5 | 1 092 |
. . . | . . . | . . . | 26 | R100 | 749.30 | 17.48 | 30.18 | 2.3 | 832 |
. . . | . . . | . . . | 28 | R101 | 800.10 | 17.48 | 33.32 | 2.3 | 889 |
. . . | . . . | . . . | 30 | R102 | 857.25 | 17.48 | 33.32 | 2.3 | 946 |
. . . | . . . | . . . | 32 | R103 | 914.40 | 17.48 | 33.32 | 2.3 | 1 003 |
. . . | . . . | . . . | 34 | R104 | 965.20 | 20.62 | 36.53 | 2.3 | 1 067 |
. . . | . . . | . . . | 36 | R105 | 1 022.35 | 20.62 | 36.53 | 2.3 | 1 124 |
NOTE:
(1) Height of raised portion is equal to the depth of groove dimension E, but is not subjected to the tolerances for E. Full face contour may be used.
Table 2 Dimensions of Class 150 Series A Flanges


NOTES:
(1) The minimum flange thickness does not include the raised face thickness.
(2) This dimension is for the large end of hub, which may be straight or tapered.
(3) For welding and bevel.
Table 3 Dimensions of Class 300 Series A Flanges


NOTES:
(1) The minimum flange thickness does not include the raised face thickness.
(2) This dimension is for the large end of hub, which may be straight or tapered.
(3) For welding and bevel.
Table 4 Dimensions of Class 400 Series A Flanges


NOTES:
(1) The minimum flange thickness does not include the raised face thickness.
(2) This dimension is for the large end of hub, which may be straight or tapered.
(3) For welding and bevel.
Table 6 Dimensions of Class 900 Series A Flanges


NOTES:
(1) The minimum flange thickness does not include the raised face thickness.
(2) This dimension is for the large end of hub, which may be straight or tapered.
(3) For welding and bevel.
Table 7 Dimensions of Class 75 Series B Flanges


NOTES:
(1) The minimum flange thickness does not include the raised face thickness.
(2) This dimension is for the large end of hub, which may be straight or tapered.
(3) For welding and bevel.
Table 8 Dimensions of Class 150 Series B Flanges


NOTES:
(1) The minimum flange thickness does not include the raised face thickness.
(2) This dimension is for the large end of hub, which may be straight or tapered.
Table 9 Dimensions of Class 300 Series B Flanges


NOTES:
(1) The minimum flange thickness does not include the raised face thickness.
(2) This dimension is for the large end of hub, which may be straight or tapered.
(3) For welding and bevel.
Table 10 Dimensions of Class 400 Series B Flanges


NOTES:
(1) The minimum flange thickness does not include the raised face thickness.
(2) This dimension is for the large end of hub, which may be straight or tapered.
Table 11 Dimensions of Class 600 Series B Flanges


NOTES:
(1) The minimum flange thickness does not include the raised face thickness.
(2) This dimension is for the large end of hub, which may be straight or tapered.
Table 12 Dimensions of Class 900 Series B Flanges


NOTES:
(1) The minimum flange thickness does not include the raised face thickness.
(2) This dimension is for the large end of hub, which may be straight or tapered.