Views: 6 Author: Monica Publish Time: 2026-01-21 Origin: Site
The ASME B16.9 standard specifically applies to wrought butt-welding pipe fittings produced using forging processes. These fittings are designed for butt-welding connections, where the ends of the fitting are welded to the pipe.
This connection method offers excellent sealing performance, high load-bearing capacity, and superior fatigue resistance, making it suitable for high-pressure and high-stress applications.
Used to change the direction of the pipeline. They are available in three main types based on the bending angle: 45°, 90°, and 180°. Based on the radius of curvature, they are classified into long radius elbows (LR) and short radius elbows (SR).
Long radius elbows have a curvature radius R = 1.5DN, resulting in low fluid resistance and are suitable for most conventional applications. Short radius elbows have a curvature radius R = 1.0DN, occupying less space, and are only suitable for special scenarios with limited space or low flow rates.

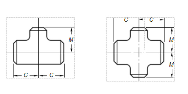
Used for branching connections in piping systems, allowing fluid to be diverted from the main pipe to a branch pipe or vice versa. Based on the diameter relationship between the branch pipe and the main pipe, they are classified into equal tees and reducing tees.

Used to connect pipes of different diameters, achieving a smooth transition of fluid velocity and pressure. They are divided into concentric reducers and eccentric reducers.
Concentric reducers have coinciding axes at both ends and are suitable for vertical pipes or horizontal pipes where fluid resistance is not a critical factor.
Eccentric reducers have parallel but non-coinciding axes at both ends, with the bottom or top remaining flush, preventing gas or liquid accumulation inside the pipe, and are commonly used in horizontal piping systems.

Used to seal the end of a pipe, providing sealing and protection. Based on their structure, they can be classified into elliptical caps, hemispherical caps, and flat caps. Elliptical caps are the most widely used in high-pressure piping systems due to their uniform stress distribution and excellent pressure resistance.

Used for bidirectional branching connections in piping systems, allowing a single fluid stream to be divided into two perpendicular directions simultaneously, or two fluid streams from different directions to converge into the main pipe.
They are commonly found in complex piping systems. Based on the pipe diameter matching, they are classified into equal-diameter crosses and unequal-diameter crosses.

Stub Ends are mainly used in situations where a branch pipe needs to be added to a pipeline but direct welding of the branch pipe is not possible. They are often used in conjunction with flanges, unions, and other connecting parts to achieve a removable branch pipe connection.
Their structural feature is that one end has a butt-weld interface matching the main pipe, and the other end has a sealing surface or bevel for connecting other pipe fittings. The body needs to be forged to ensure sufficient wall thickness to withstand the additional load after the branch pipe connection.


| All Fittings | Center-to-End Dimensions of 90 Deg and 45 Deg Elbows and Tees, A, B, C, M | Overall Length of Reducers and Lap Joint Stub Ends, F, H | Overall Length of Caps, E | 180 Deg Returns | ||||||
| Nominal Pipe Size (NPS) | (DN) | Outside Diameter at Bevel, D [Notes (1), and (2)] | Inside Diameter at End [Notes (1),(3), and (4)] | Wall Thick- ness, t [Note (3)] | Center-to一Center Dimension,O | Back-to-Face Dimension,K | Alignment of Ends, U | |||
| 1/2 to 2 | 15–65 | +1.6–0.8 | 0.8 | Not Less Than 87.50% of Nominal Thickness | 2 | 2 | 3 | 6 | 6 | 1 |
| 1/2 | ||||||||||
| 3 to 3 | 80–90 | 1.6 | 1.6 | 2 | 2 | 3 | 6 | 6 | 1 | |
| 1/2 | ||||||||||
| 4 | 100 | 1.6 | 1.6 | 2 | 2 | 3 | 6 | 6 | 1 | |
| 5 to 8 | 125–200 | +2.4–1.6 | 1.6 | 2 | 2 | 6 | 6 | 6 | 1 | |
| 10 to 18 | 250–450 | +4.0–3.2 | 3.2 | 2 | 2 | 6 | 10 | 6 | 2 | |
| 20 to 24 | 500–600 | +6.4–4.8 | 4.8 | 2 | 2 | 6 | 10 | 6 | 2 | |
| 26 to 30 | 650–750 | +6.4–4.8 | 4.8 | 3 | 5 | 10 | . . . | . . . | . . . | |
| 37 to 48 | 800–1200 | +6.4–4.8 | 4.8 | 5 | 5 | 10 | . . . | . . . | . . . | |
| Nominal Pipe Size (NPS) | (DN) | Lap Joint Stub Ends | Lap Thickness | Nominal Pipe Size (NPS) | (DN) | Angularity Tolerances | |||
| Outside Diameter of Lap, G | Fillet Radius of Lap, R | Outside Diameter of Barrel | |||||||
| Off Angle, Q | Off Plane, P | ||||||||
| 1⁄2 to 2 1⁄2 | 15–65 | +0–1 | +0–1 | Limiting Dimensions | +1.6–0 | 1⁄2 to 4 | 15–100 | 1 | 2 |
| 3 to 3 1⁄2 | 80–900 | +0–1 | +0–1 | +1.6–0 | 5 to 8 | 125–200 | 2 | 4 | |
| 4 | 100 | +0–1 | +0–2 | +1.6–0 | 10 to 12 | 250–300 | 2 | 5 | |
| 5 to 8 | 125–200 | +0–1 | +0–2 | +1.6–0 | 14 to 16 | 350–400 | 3 | 6 | |
| 10 to 18 | 250–450 | +0–2 | +0–2 | +3.2–0 | 18 to 24 | 450–600 | 4 | 10 | |
| 20 to 24 | 500–600 | +0–2 | +0–2 | +3.2–0 | 26 to 30 | 650–750 | 5 | 10 | |
| 26 to 30 | 650–750 | 32 to 42 | 800–1050 | 5 | 13 | ||||
| 37 to 48 | 800–1200 | . . . | . . . | . . . | 44–48 | 1100–1200 | 5 | 19 | |
GENERAL NOTES:
(a) All dimensions are in millimeters.
(b) Tolerances are equal plus and minus except as noted.
NOTES:
(1) Out-of-round is the sum of absolute values of plus and minus tolerances.
(2) This tolerance may not apply in localized areas of formed fittings where increased wall thickness is required to meet design requirements of para. 2.2.
(3) The inside diameter and the nominal wall thicknesses at ends are to be specified by the purchaser.
(4)Unless otherwise specified by the purchaser, these tolerances apply to the nominal inside diameter, which equals the difference between the nominal outside diameter and twice the nominal wall thickness.
Dimensions Of Long Radius Elbows

Nominal Pipe Size (NPS) | DN | Outside Diameter at Bevel | Center-to-End | |
90 Deg Elbows, A | 45 Deg Elbows,B | |||
1/2 | 15 | 21.3 | 38 | 16 |
3/4 | 20 | 26.7 | 38 | 19 |
1 | 25 | 33.4 | 38 | 22 |
1 1/4 | 32 | 42.2 | 48 | 25 |
1 1/2 | 40 | 48.3 | 57 | 29 |
2 | 50 | 60.3 | 76 | 35 |
2 1/2 | 65 | 73.0 | 95 | 44 |
3 | 80 | 88.9 | 114 | 51 |
3 1/2 | 90 | 101.6 | 133 | 57 |
4 | 100 | 114.3 | 152 | 64 |
5 | 125 | 141.3 | 190 | 79 |
6 | 150 | 168.3 | 229 | 95 |
8 | 200 | 219.1 | 305 | 127 |
10 | 250 | 273.0 | 381 | 159 |
12 | 300 | 323.8 | 457 | 190 |
14 | 350 | 355.6 | 533 | 222 |
16 | 400 | 406.4 | 610 | 254 |
18 | 450 | 457 | 686 | 286 |
20 | 500 | 508 | 762 | 318 |
22 | 550 | 559 | 838 | 343 |
24 | 600 | 610 | 914 | 381 |
26 | 650 | 660 | 991 | 405 |
28 | 700 | 711 | 1067 | 438 |
30 | 750 | 762 | 1143 | 470 |
32 | 800 | 813 | 1219 | 502 |
34 | 850 | 864 | 1295 | 533 |
36 | 900 | 914 | 1372 | 565 |
38 | 950 | 965 | 1448 | 600 |
40 | 1000 | 1016 | 1524 | 632 |
42 | 1050 | 1067 | 1600 | 660 |
44 | 1100 | 1118 | 1676 | 695 |
46 | 1150 | 1168 | 1753 | 727 |
48 | 1200 | 1219 | 1829 | 759 |
Dimensions Of Long Radius-Reducing Elbows

| Nominal Pipe Size (NPS) | DN | Outside Diameter at Bevel | Center- to-End, A | Nominal Pipe Size (NPS) | DN | Outside Diameter at Bevel | Center- to-End, A | ||
| Large End | Small End | Large End | Small End | ||||||
| 2 × 1 1/2 | 50 × 40 | 60.3 | 48.3 | 76 | 10 × 8 | 250 × 200 | 273 | 219.1 | 381 |
| 2 × 1 1/4 | 50 × 32 | 60.3 | 42.2 | 76 | 10 × 6 | 250 × 150 | 273 | 168.3 | 381 |
| 2 × 1 | 50 × 25 | 60.3 | 33.4 | 76 | 10 × 5 | 250 × 125 | 273 | 141.3 | 381 |
| 2 1/2 × 2 | 65 × 50 | 73 | 60.3 | 95 | 12 × 10 | 300 × 250 | 323.8 | 273 | 457 |
| 2 1/2 × 1 1/2 | 65 × 40 | 73 | 48.3 | 95 | 12 × 8 | 300 × 200 | 323.8 | 219.1 | 457 |
| 2 1/2 × 1 1/4 | 65 × 32 | 73 | 42.2 | 95 | 12 × 6 | 300 × 150 | 323.8 | 168.3 | 457 |
| 3 × 2 1/2 | 80 × 65 | 88.9 | 73 | 114 | 14 × 12 | 350 × 300 | 355.6 | 323.8 | 533 |
| 3 × 2 | 80 × 50 | 88.9 | 60.3 | 114 | 14 × 10 | 350 × 250 | 355.6 | 273 | 533 |
| 3 × 1 1/2 | 80 × 40 | 88.9 | 48.3 | 114 | 14 × 8 | 350 × 200 | 355.6 | 219.1 | 533 |
| 3 1/2 × 3 | 90 × 80 | 101.6 | 88.9 | 133 | 16 × 14 | 400 × 350 | 406.4 | 355.6 | 610 |
| 3 1/2 × 2 1/2 | 90 × 65 | 101.6 | 73 | 133 | 16 × 12 | 400 × 300 | 406.4 | 323.8 | 610 |
| 3 1/2 × 2 | 90 × 50 | 101.6 | 60.3 | 133 | 16 × 10 | 400 × 250 | 406.4 | 273 | 610 |
| 4 × 3 1/2 | 100 × 90 | 114.3 | 101.6 | 152 | 18 × 16 | 450 × 400 | 457 | 406.4 | 686 |
| 4 × 3 | 100 × 80 | 114.3 | 88.9 | 152 | 18 × 14 | 450 × 350 | 457 | 355.6 | 686 |
| 4 × 2 1/2 | 100 × 65 | 114.3 | 73 | 152 | 18 × 12 | 450 × 300 | 457 | 323.8 | 686 |
| 4 × 2 | 100 × 50 | 114.3 | 60.3 | 152 | 18 × 10 | 450 × 250 | 457 | 273 | 686 |
| 5 × 4 | 125 × 100 | 141.3 | 114.3 | 190 | 20 × 18 | 500 × 450 | 508 | 457 | 762 |
| 5 × 3 1/2 | 125 × 90 | 141.3 | 101.6 | 190 | 20 × 16 | 500 × 400 | 508 | 406.4 | 762 |
| 5 × 3 | 125 × 80 | 141.3 | 88.9 | 190 | 20 × 14 | 500 × 350 | 508 | 355.6 | 762 |
| 5 × 2 1/2 | 125 × 65 | 141.3 | 73 | 190 | 20 × 12 | 500 × 300 | 508 | 323.8 | 762 |
| 6 × 5 | 150 × 125 | 168.3 | 141.3 | 229 | 20 × 10 | 500 × 250 | 610 | 273 | 762 |
| 6 × 4 | 150 × 100 | 168.3 | 114.3 | 229 | 24 × 22 | 600 × 550 | 610 | 559 | 914 |
| 6 × 3 1/2 | 150 × 90 | 168.3 | 101.6 | 229 | 24 × 20 | 600 × 500 | 610 | 508 | 914 |
| 6 × 3 | 150 × 80 | 168.3 | 88.9 | 229 | 24 × 18 | 600 × 450 | 610 | 457 | 914 |
| 8 × 6 | 200 × 150 | 219.1 | 168.3 | 305 | 24 × 16 | 600 × 400 | 610 | 406.4 | 914 |
| 8 × 5 | 200 × 125 | 219.1 | 141.3 | 305 | 24 × 14 | 600 × 350 | 610 | 355.6 | 914 |
| 8 × 4 | 200 × 100 | 219.1 | 114.3 | 305 | 24 × 12 | 600 × 300 | 610 | 323.8 | 914 |
GENERAL NOTE: All dimensions are in millimeters.
Dimensions Of Long Radius Returns

Nominal Pipe Size (NPS) | DN | Outside Diameter at Bevel | Center-to-Center, D | Back-to-Face,K |
1/2 | 15 | 21.3 | 76 | 48 |
3/4 | 20 | 26.7 | 76 | 51 |
1 | 25 | 33.4 | 76 | 56 |
1 1/4 | 32 | 42.2 | 95 | 70 |
1 1/2 | 40 | 48.3 | 114 | 83 |
2 | 50 | 60.3 | 152 | 106 |
2 1/2 | 65 | 73.0 | 190 | 132 |
3 | 80 | 88.9 | 229 | 159 |
3 1/2 | 90 | 101.6 | 267 | 184 |
4 | 100 | 114.3 | 305 | 210 |
5 | 125 | 141.3 | 381 | 262 |
6 | 150 | 168.3 | 457 | 313 |
8 | 200 | 219.1 | 610 | 414 |
10 | 250 | 273.0 | 762 | 518 |
12 | 300 | 323.8 | 914 | 619 |
14 | 350 | 355.6 | 1067 | 711 |
16 | 400 | 406.4 | 1219 | 813 |
18 | 450 | 457 | 1372 | 914 |
20 | 500 | 508 | 1524 | 1016 |
22 | 550 | 559 | 1676 | 1118 |
24 | 600 | 610 | 1829 | 1219 |
GENERAL NOTE: All dimensions are in millimeters.
NOTES:
(1) Dimension A is equal to one-half of dimension O.
(2) O and K dimensions of 57 mm and 43 mm, respectively, may be furnished for NPS 3/4 (DN 20) at the manufacturer's option.
Dimensions Of Straight Tees And Crosses

Nominal Pipe Size (NPS) | DN | Outside Diameter at Bevel | Center-to-End | |
| Run, C | Outlet, M [Notes (1) and (2)] | |||
1/2 | 15 | 21.3 | 25 | 25 |
3/4 | 20 | 26.7 | 29 | 29 |
1 | 25 | 33.4 | 38 | 38 |
1 1/4 | 32 | 42.2 | 48 | 48 |
1 1/2 | 40 | 48.3 | 57 | 57 |
2 | 50 | 60.3 | 64 | 64 |
2 1/2 | 65 | 73.0 | 76 | 76 |
3 | 80 | 88.9 | 86 | 86 |
3 1/2 | 90 | 101.6 | 95 | 95 |
4 | 100 | 114.3 | 105 | 105 |
5 | 125 | 141.3 | 124 | 124 |
6 | 150 | 168.3 | 143 | 143 |
8 | 200 | 219.1 | 178 | 178 |
10 | 250 | 273.0 | 216 | 216 |
12 | 300 | 323.8 | 254 | 254 |
14 | 350 | 355.6 | 279 | 279 |
16 | 400 | 406.4 | 305 | 305 |
18 | 450 | 457 | 343 | 343 |
20 | 500 | 508 | 381 | 381 |
22 | 550 | 559 | 419 | 419 |
24 | 600 | 610 | 432 | 432 |
26 | 650 | 660 | 495 | 495 |
28 | 700 | 711 | 521 | 521 |
30 | 750 | 762 | 559 | 559 |
32 | 800 | 813 | 597 | 597 |
34 | 850 | 864 | 635 | 635 |
36 | 900 | 914 | 673 | 673 |
38 | 950 | 965 | 711 | 711 |
40 | 1000 | 1016 | 749 | 749 |
42 | 1050 | 1067 | 762 | 711 |
44 | 1100 | 1118 | 813 | 762 |
46 | 1150 | 1168 | 851 | 800 |
48 | 1200 | 1219 | 889 | 838 |
GENERAL NOTE: All dimensions are in millimeters.
NOTES:
(1) Outlet dimension M for NPS 26 (DN 650) and larger is recommended but not required.
(2) Dimensions applicable to crosses NPS 24 (DN 600) and smaller.
Dimensions Of Short Radius Elbows

Nominal Pipe Size (NPS) | DN | Outside Diameter at Bevel | Center-to-End, A |
1 | 25 | 33.4 | 25 |
1 1/4 | 32 | 42.2 | 32 |
1 1/2 | 40 | 48.3 | 38 |
2 | 50 | 60.3 | 51 |
2 1/2 | 65 | 73.0 | 64 |
3 | 80 | 88.9 | 76 |
3 1/2 | 90 | 101.6 | 89 |
4 | 100 | 114.3 | 102 |
5 | 125 | 141.3 | 127 |
6 | 150 | 168.3 | 152 |
8 | 200 | 219.1 | 203 |
10 | 250 | 273.0 | 254 |
12 | 300 | 323.8 | 305 |
14 | 350 | 355.6 | 356 |
16 | 400 | 406.4 | 406 |
18 | 450 | 457 | 457 |
20 | 500 | 508 | 508 |
22 | 550 | 559 | 559 |
24 | 600 | 610 | 610 |
GENERAL NOTE: All dimensions are in millimeters.
Dimensions Of Short Radius 180 Deg Returns

Nominal Pipe Size (NPS) | DN | Outside Diameter at Bevel | Center-to-Center, O | Back- to-Face, K |
1 | 25 | 33.4 | 51 | 41 |
1 1/4 | 32 | 42.2 | 64 | 52 |
1 1/2 | 40 | 48.3 | 76 | 62 |
2 | 50 | 60.3 | 102 | 81 |
2 1/2 | 65 | 73.0 | 127 | 100 |
3 | 80 | 88.9 | 152 | 121 |
3 1/2 | 90 | 101.6 | 178 | 140 |
4 | 100 | 114.3 | 203 | 159 |
5 | 125 | 141.3 | 254 | 197 |
6 | 150 | 168.3 | 305 | 237 |
8 | 200 | 219.1 | 406 | 313 |
10 | 250 | 273.0 | 508 | 391 |
12 | 300 | 323.8 | 610 | 467 |
14 | 350 | 355.6 | 711 | 533 |
16 | 400 | 406.4 | 813 | 610 |
18 | 450 | 457 | 914 | 686 |
20 | 500 | 508 | 1016 | 762 |
22 | 550 | 559 | 1118 | 838 |
24 | 600 | 610 | 1219 | 914 |
GENERAL NOTES:
(a) All dimensions are in millimeters.
(b) Dimension A is equal to one-half of dimension O.
Dimensions Of Reducing Outlet Tees And Reducing Outlet Crosses

| Nominal Pipe Size (NPS) | DN | Outside Diameter at Bevel | Center-to-End | ||
| Run | Outlet | Run, C | Outlet, M [Note (1)] | ||
| 1/2 x 1/2 x 3/8 | 15 × 15 × 10 | 21.3 | 17.3 | 25 | 25 |
| 1/2 x1/2 x 1/4 | 15 × 15 × 8 | 21.3 | 13.7 | 25 | 25 |
| 3/4 x 3/4 x1/2 | 20 × 20 × 15 | 26.7 | 21.3 | 29 | 29 |
| 3/4 x 3/4 x 3/8 | 20 × 20 × 10 | 26.7 | 17.3 | 29 | 29 |
| 1 × 1 x 3/4 | 25 × 25 × 20 | 33.4 | 26.7 | 38 | 38 |
| 1 × 1 x 1/2 | 25 × 25 × 15 | 33.4 | 21.3 | 38 | 38 |
| 1 1/4 x 1 1/4 × 1 | 32 × 32 × 25 | 42.2 | 33.4 | 48 | 48 |
| 1 1/4 × 1 1/4 × 3/4 | 32 × 32 × 20 | 42.2 | 26.7 | 48 | 48 |
| 1 1/4 x 1 1/4 x 1/2 | 32 × 32 × 15 | 42.2 | 21.3 | 48 | 48 |
| 1 1/2 x 1 1/2 x 1/4 | 40 × 40 × 32 | 48.3 | 42.2 | 57 | 57 |
| 1 1/2 x 1 1/2 × 1 | 40 × 40 × 25 | 48.3 | 33.4 | 57 | 57 |
| 1 1/2 x 1 1/2 x 3/4 | 40 × 40 × 20 | 48.3 | 26.7 | 57 | 57 |
| 1 1/2 x 1 1/2x 1/2 | 40 × 40 × 15 | 48.3 | 21.3 | 57 | 57 |
| 2 × 2 × 1 1/2 | 50 × 50 × 40 | 60.3 | 48.3 | 64 | 60 |
| 2 × 2 × 1 1/4 | 50 × 50 × 32 | 60.3 | 42.2 | 64 | 57 |
| 2 × 2 × 1 | 50 × 50 × 25 | 60.3 | 33.4 | 64 | 51 |
| 2 × 2 × 3/4 | 50 × 50 × 20 | 60.3 | 26.7 | 64 | 44 |
| 2 1/2 x 2 1/2 × 2 | 65 × 65 × 50 | 73 | 60.3 | 76 | 70 |
| 2 1/2 x 2 1/2 x 1 1/2 | 65 × 65 × 40 | 73 | 48.3 | 76 | 67 |
| 2 1/2 × 2 1/2 × 1 1/4 | 65 × 65 × 32 | 73 | 42.2 | 76 | 64 |
| 2 1/2 × 2 1/2 × 1 | 65 × 65 × 25 | 73 | 33.4 | 76 | 57 |
| 3 × 3 × 2 1/2 | 80 × 80 × 65 | 88.9 | 73 | 86 | 83 |
| 3 × 3 × 2 | 80 × 80 × 50 | 88.9 | 60.3 | 86 | 76 |
| 3 × 3 × 1 1/2 | 80 × 80 × 40 | 88.9 | 48.3 | 86 | 73 |
| 3 × 3 × 1 1/4 | 80 × 80 × 32 | 88.9 | 42.2 | 86 | 70 |
| 3 1/2 x 3 1/2 × 3 | 90 × 90 × 80 | 101.6 | 88.9 | 95 | 92 |
| 3 1/2 × 3 1/2 × 2 1/2 | 90 × 90 × 65 | 101.6 | 73 | 95 | 89 |
| 3 1/2 × 3 1/2 × 2 | 90 × 90 × 50 | 101.6 | 60.3 | 95 | 83 |
| 3 1/2 × 3 1/2 × 1 1/2 | 90 × 90 × 40 | 101.6 | 48.3 | 95 | 79 |
| 4 × 4 × 3 1/2 | 100 × 100 × 90 | 114.3 | 101.6 | 105 | 102 |
| 4 × 4 × 3 | 100 × 100 × 80 | 114.3 | 88.9 | 105 | 98 |
| 4 × 4 × 2 1/2 | 100 × 100 × 65 | 113.3 | 73 | 105 | 95 |
| 4 × 4 × 2 | 100 × 100 × 50 | 114.3 | 60.3 | 105 | 89 |
| 4 × 4 × 1 1/2 | 100 × 100 × 40 | 114.3 | 48.3 | 105 | 86 |
| 5 × 5 × 4 | 125 × 125 × 100 | 141.3 | 114.3 | 125 | 117 |
| 5 × 5 × 3 1/2 | 125 × 125 × 90 | 141.3 | 101.6 | 124 | 114 |
| 5 × 5 × 3 | 125 × 125 × 80 | 141.3 | 88.9 | 124 | 111 |
| 5 × 5 × 2 1/2 | 125 × 125 × 65 | 141.3 | 73 | 124 | 108 |
| 5 × 5 × 2 | 125 × 125 × 50 | 141.3 | 60.3 | 124 | 105 |
| 6 × 6 × 5 | 150 × 150 × 125 | 168.3 | 141.3 | 143 | 137 |
| 6 × 6 × 4 | 150 × 150 × 100 | 168.3 | 114.3 | 143 | 130 |
| 6 × 6 × 3 1/2 | 150 × 150 × 90 | 168.3 | 101.6 | 143 | 127 |
| 6 × 6 × 3 | 150 × 150 × 80 | 168.3 | 88.9 | 143 | 124 |
| 6 × 6 × 2 1/2 | 150 × 150 × 65 | 168.3 | 73 | 143 | 121 |
| 8 × 8 × 6 | 200 × 200 × 150 | 219.1 | 168.3 | 178 | 168 |
| 8 × 8 × 5 | 200 × 200 × 125 | 219.1 | 141.3 | 178 | 162 |
| 8 × 8 × 4 | 200 × 200 × 100 | 219.1 | 114.3 | 178 | 156 |
| 8 × 8 × 3 1/2 | 200 × 200 × 90 | 219.1 | 101.6 | 178 | 152 |
| 10 × 10 × 8 | 250 × 250 × 200 | 273 | 219.1 | 216 | 203 |
| 10 × 10 × 6 | 250 × 250 × 150 | 273 | 168.3 | 216 | 194 |
| 10 × 10 × 5 | 250 × 250 × 125 | 273 | 141.3 | 216 | 191 |
| 10 × 10 × 4 | 250 × 250 × 100 | 273 | 114.3 | 216 | 184 |
| 12 × 12 × 10 | 300 × 300 × 250 | 323.8 | 273 | 254 | 241 |
| 12 × 12 × 8 | 300 × 300 × 200 | 323.8 | 219.1 | 254 | 229 |
| 12 × 12 × 6 | 300 × 300 × 150 | 323.8 | 168.3 | 254 | 219 |
| 12 × 12 × 5 | 300 × 300 × 125 | 323.8 | 141.3 | 254 | 216 |
| 14 × 14 × 12 | 350 × 350 × 300 | 355.6 | 323.8 | 279 | 270 |
| 14 × 14 × 10 | 350 × 350 × 250 | 355.6 | 273 | 279 | 257 |
| 14 × 14 × 8 | 350 × 350 × 200 | 355.6 | 219.1 | 279 | 248 |
| 14 × 14 × 6 | 350 × 350 × 150 | 355.6 | 168.3 | 279 | 238 |
| 16 × 16 × 14 | 400 × 400 × 350 | 406.4 | 355.6 | 305 | 305 |
| 16 × 16 × 12 | 400 × 400 × 300 | 406.4 | 323.8 | 305 | 295 |
| 16 × 16 × 10 | 400 × 400 × 250 | 406.4 | 273 | 305 | 283 |
| 16 × 16 × 8 | 400 × 400 × 200 | 406.4 | 219.1 | 305 | 273 |
| 16 × 16 × 6 | 400 × 400 × 150 | 406.4 | 168.3 | 305 | 264 |
| 18 × 18 × 16 | 450 × 450 × 400 | 457 | 406.4 | 343 | 330 |
| 18 × 18 × 14 | 450 × 450 × 350 | 457 | 355.6 | 343 | 330 |
| 18 × 18 × 12 | 450 × 450 × 300 | 457 | 323.8 | 343 | 321 |
| 18 × 18 × 10 | 450 × 450 × 250 | 457 | 273 | 343 | 308 |
| 18 × 18 × 8 | 450 × 450 × 200 | 457 | 219.1 | 343 | 298 |
| 20 × 20 × 18 | 500 × 500 × 450 | 508 | 457 | 381 | 368 |
| 20 × 20 × 16 | 500 × 500 × 400 | 508 | 406.4 | 381 | 356 |
| 20 × 20 × 14 | 500 × 500 × 350 | 508 | 355.6 | 381 | 356 |
| 20 × 20 × 12 | 500 × 500 × 300 | 508 | 323.8 | 381 | 346 |
| 20 × 20 × 10 | 500 × 500 × 250 | 508 | 273 | 381 | 333 |
| 20 × 20 × 8 | 500 × 500 × 200 | 508 | 219.1 | 381 | 324 |
| 22 × 22 × 20 | 550 × 550 × 500 | 559 | 508 | 419 | 406 |
| 22 × 22 × 18 | 550 × 550 × 450 | 559 | 457 | 419 | 394 |
| 22 × 22 × 16 | 550 × 550 × 400 | 559 | 406.4 | 419 | 381 |
| 22 × 22 × 14 | 550 × 550 × 350 | 559 | 355.6 | 419 | 381 |
| 22 × 22 × 12 | 550 × 550 × 300 | 559 | 323.8 | 419 | 371 |
| 22 × 22 × 10 | 550 × 550 × 250 | 559 | 273 | 419 | 359 |
| 24 × 24 × 22 | 600 × 600 × 550 | 610 | 559 | 432 | 432 |
| 24 × 24 × 20 | 600 × 600 × 500 | 610 | 508 | 432 | 432 |
| 24 × 24 × 18 | 600 × 600 × 450 | 610 | 457 | 432 | 419 |
| 24 × 24 × 16 | 600 × 600 × 400 | 610 | 406.4 | 432 | 406 |
| 24 × 24 × 14 | 600 × 600 × 350 | 610 | 355.6 | 432 | 406 |
| 24 × 24 × 12 | 600 × 600 × 300 | 610 | 323.8 | 432 | 397 |
| 24 × 24 × 10 | 600 × 600 × 250 | 610 | 273 | 432 | 384 |
| 26 × 26 × 24 | 650 × 650 × 600 | 660 | 610 | 495 | 483 |
| 26 × 26 × 22 | 650 × 650 × 550 | 660 | 559 | 495 | 470 |
| 26 × 26 × 20 | 650 × 650 × 550 | 660 | 508 | 495 | 457 |
| 26 × 26 × 18 | 650 × 650 × 450 | 660 | 457 | 495 | 444 |
| 26 × 26 × 16 | 650 × 650 × 400 | 660 | 406.4 | 495 | 432 |
| 26 × 26 × 14 | 650 × 650 × 350 | 660 | 355.6 | 495 | 432 |
| 26 × 26 × 12 | 650 × 650 × 300 | 660 | 323.8 | 495 | 422 |
| 28 × 28 × 26 | 700 × 700 × 650 | 711 | 660 | 521 | 521 |
| 28 × 28 × 24 | 700 × 700 × 600 | 711 | 610 | 521 | 508 |
| 28 × 28 × 22 | 700 × 700 × 550 | 711 | 559 | 521 | 495 |
| 28 × 28 × 20 | 700 × 700 × 500 | 711 | 508 | 521 | 483 |
| 28 × 28 × 18 | 700 × 700 × 450 | 711 | 457 | 521 | 470 |
| 28 × 28 × 16 | 700 × 700 × 400 | 711 | 406.4 | 521 | 457 |
| 28 × 28 × 14 | 700 × 700 × 350 | 711 | 355.6 | 521 | 457 |
| 28 × 28 × 12 | 700 × 700 × 300 | 711 | 323.8 | 521 | 448 |
| 30 × 30 × 28 | 750 × 750 × 700 | 762 | 711 | 559 | 546 |
| 30 × 30 × 26 | 750 × 750 × 650 | 762 | 660 | 559 | 546 |
| 30 × 30 × 24 | 750 × 750 × 600 | 762 | 610 | 559 | 533 |
| 30 × 30 × 22 | 750 × 750 × 550 | 762 | 559 | 559 | 521 |
| 30 × 30 × 20 | 750 × 750 × 500 | 762 | 508 | 559 | 508 |
| 30 × 30 × 18 | 750 × 750 × 450 | 762 | 457 | 559 | 495 |
| 30 × 30 × 16 | 750 × 750 × 400 | 762 | 406.4 | 559 | 483 |
| 30 × 30 × 14 | 750 × 750 × 350 | 762 | 355.6 | 559 | 483 |
| 30 × 30 × 12 | 750 × 750 × 300 | 762 | 323.8 | 559 | 473 |
| 30 × 30 × 10 | 750 × 750 × 250 | 762 | 273 | 559 | 460 |
| 32 × 32 × 30 | 800 × 800 × 750 | 813 | 762 | 597 | 584 |
| 32 × 32 × 28 | 800 × 800 × 700 | 813 | 711 | 597 | 572 |
| 32 × 32 × 26 | 800 × 800 × 650 | 813 | 660 | 597 | 572 |
| 32 × 32 × 24 | 800 × 800 × 600 | 813 | 610 | 597 | 559 |
| 32 × 32 × 22 | 800 × 800 × 550 | 813 | 559 | 597 | 546 |
| 32 × 32 × 20 | 800 × 800 × 500 | 813 | 508 | 597 | 533 |
| 32 × 32 × 18 | 800 × 800 × 450 | 813 | 457 | 597 | 521 |
| 32 × 32 × 16 | 800 × 800 × 400 | 813 | 406.4 | 597 | 508 |
| 32 × 32 × 14 | 800 × 800 × 350 | 813 | 355.6 | 597 | 508 |
| 34 × 34 × 32 | 850 × 850 × 800 | 864 | 813 | 635 | 622 |
| 34 × 34 × 30 | 850 × 850 × 750 | 864 | 762 | 635 | 610 |
| 34 × 34 × 28 | 850 × 850 × 700 | 864 | 711 | 635 | 597 |
| 34 × 34 × 26 | 850 × 850 × 650 | 864 | 600 | 635 | 597 |
| 34 × 34 × 24 | 850 × 850 × 600 | 864 | 610 | 635 | 584 |
| 34 × 34 × 22 | 850 × 850 × 550 | 864 | 559 | 635 | 572 |
| 34 × 34 × 20 | 850 × 850 × 500 | 864 | 508 | 635 | 559 |
| 24 × 24 × 22 | 600 × 600 × 550 | 610 | 559 | 432 | 432 |
| 24 × 24 × 20 | 600 × 600 × 500 | 610 | 508 | 432 | 432 |
| 24 × 24 × 18 | 600 × 600 × 450 | 610 | 457 | 432 | 419 |
| 24 × 24 × 16 | 600 × 600 × 400 | 610 | 406.4 | 432 | 406 |
| 24 × 24 × 14 | 600 × 600 × 350 | 610 | 355.6 | 432 | 406 |
| 24 × 24 × 12 | 600 × 600 × 300 | 610 | 323.8 | 432 | 397 |
| 24 × 24 × 10 | 600 × 600 × 250 | 610 | 273 | 432 | 384 |
| 26 × 26 × 24 | 650 × 650 × 600 | 660 | 610 | 495 | 483 |
| 26 × 26 × 22 | 650 × 650 × 550 | 660 | 559 | 495 | 470 |
| 26 × 26 × 20 | 650 × 650 × 550 | 660 | 508 | 495 | 457 |
| 26 × 26 × 18 | 650 × 650 × 450 | 660 | 457 | 495 | 444 |
| 26 × 26 × 16 | 650 × 650 × 400 | 660 | 406.4 | 495 | 432 |
| 26 × 26 × 14 | 650 × 650 × 350 | 660 | 355.6 | 495 | 432 |
| 26 × 26 × 12 | 650 × 650 × 300 | 660 | 323.8 | 495 | 422 |
| 28 × 28 × 26 | 700 × 700 × 650 | 711 | 660 | 521 | 521 |
| 28 × 28 × 24 | 700 × 700 × 600 | 711 | 610 | 521 | 508 |
| 28 × 28 × 22 | 700 × 700 × 550 | 711 | 559 | 521 | 495 |
| 28 × 28 × 20 | 700 × 700 × 500 | 711 | 508 | 521 | 483 |
| 28 × 28 × 18 | 700 × 700 × 450 | 711 | 457 | 521 | 470 |
| 28 × 28 × 16 | 700 × 700 × 400 | 711 | 406.4 | 521 | 457 |
| 28 × 28 × 14 | 700 × 700 × 350 | 711 | 355.6 | 521 | 457 |
| 28 × 28 × 12 | 700 × 700 × 300 | 711 | 323.8 | 521 | 448 |
| 30 × 30 × 28 | 750 × 750 × 700 | 762 | 711 | 559 | 546 |
| 30 × 30 × 26 | 750 × 750 × 650 | 762 | 660 | 559 | 546 |
| 30 × 30 × 24 | 750 × 750 × 600 | 762 | 610 | 559 | 533 |
| 30 × 30 × 22 | 750 × 750 × 550 | 762 | 559 | 559 | 521 |
| 30 × 30 × 20 | 750 × 750 × 500 | 762 | 508 | 559 | 508 |
| 30 × 30 × 18 | 750 × 750 × 450 | 762 | 457 | 559 | 495 |
| 30 × 30 × 16 | 750 × 750 × 400 | 762 | 406.4 | 559 | 483 |
| 30 × 30 × 14 | 750 × 750 × 350 | 762 | 355.6 | 559 | 483 |
| 30 × 30 × 12 | 750 × 750 × 300 | 762 | 323.8 | 559 | 473 |
| 30 × 30 × 10 | 750 × 750 × 250 | 762 | 273 | 559 | 460 |
| 32 × 32 × 30 | 800 × 800 × 750 | 813 | 762 | 597 | 584 |
| 32 × 32 × 28 | 800 × 800 × 700 | 813 | 711 | 597 | 572 |
| 32 × 32 × 26 | 800 × 800 × 650 | 813 | 660 | 597 | 572 |
| 32 × 32 × 24 | 800 × 800 × 600 | 813 | 610 | 597 | 559 |
| 32 × 32 × 22 | 800 × 800 × 550 | 813 | 559 | 597 | 546 |
| 32 × 32 × 20 | 800 × 800 × 500 | 813 | 508 | 597 | 533 |
| 32 × 32 × 18 | 800 × 800 × 450 | 813 | 457 | 597 | 521 |
| 32 × 32 × 16 | 800 × 800 × 400 | 813 | 406.4 | 597 | 508 |
| 32 × 32 × 14 | 800 × 800 × 350 | 813 | 355.6 | 597 | 508 |
| 34 × 34 × 32 | 850 × 850 × 800 | 864 | 813 | 635 | 622 |
| 34 × 34 × 30 | 850 × 850 × 750 | 864 | 762 | 635 | 610 |
| 34 × 34 × 28 | 850 × 850 × 700 | 864 | 711 | 635 | 597 |
| 34 × 34 × 26 | 850 × 850 × 650 | 864 | 600 | 635 | 597 |
| 34 × 34 × 24 | 850 × 850 × 600 | 864 | 610 | 635 | 584 |
| 34 × 34 × 22 | 850 × 850 × 550 | 864 | 559 | 635 | 572 |
| 34 × 34 × 20 | 850 × 850 × 500 | 864 | 508 | 635 | 559 |
| 44 × 44 × 38 | 1100 × 1100 × 950 | 1118 | 965 | 813 | 737 |
| 44 × 44 × 36 | 1100 × 1100 × 900 | 1118 | 914 | 813 | 724 |
| 44 × 44 × 34 | 1100 × 1100 × 850 | 1118 | 864 | 813 | 724 |
| 44 × 44 × 32 | 1100 × 1100 × 800 | 1118 | 813 | 813 | 711 |
| 44 × 44 × 30 | 1100 × 1100 × 750 | 1118 | 762 | 813 | 711 |
| 44 × 44 × 28 | 1100 × 1100 × 700 | 1118 | 711 | 813 | 698 |
| 44 × 44 × 26 | 1100 × 1100 × 650 | 1118 | 660 | 813 | 698 |
| 44 × 44 × 24 | 1100 × 1100 × 600 | 1118 | 610 | 813 | 698 |
| 44 × 44 × 22 | 1100 × 1100 × 550 | 1118 | 559 | 813 | 686 |
| 44 × 44 × 20 | 1100 × 1100 × 500 | 1118 | 508 | 813 | 686 |
| 46 × 46 × 44 | 1150 × 1150 × 1100 | 1168 | 1118 | 851 | 800 |
| 46 × 46 × 42 | 1150 × 1150 × 1050 | 1168 | 1067 | 851 | 787 |
| 46 × 46 × 40 | 1150 × 1150 × 1000 | 1168 | 1016 | 851 | 775 |
| 46 × 46 × 38 | 1150 × 1150 × 950 | 1168 | 965 | 851 | 762 |
| 46 × 46 × 36 | 1150 × 1150 × 900 | 1168 | 914 | 851 | 762 |
| 46 × 46 × 34 | 1150 × 1150 × 850 | 1168 | 864 | 851 | 749 |
| 46 × 46 × 32 | 1150 × 1150 × 800 | 1168 | 813 | 851 | 749 |
| 46 × 46 × 30 | 1150 × 1150 × 750 | 1168 | 762 | 851 | 737 |
| 46 × 46 × 28 | 1150 × 1150 × 700 | 1168 | 711 | 851 | 737 |
| 46 × 46 × 26 | 1150 × 1150 × 650 | 1168 | 660 | 851 | 737 |
| 46 × 46 × 24 | 1150 × 1150 × 600 | 1168 | 610 | 851 | 724 |
| 46 × 46 × 22 | 1150 × 1150 × 550 | 1168 | 559 | 851 | 724 |
| 48 × 48 × 46 | 1200 × 1200 × 1150 | 1219 | 1168 | 889 | 838 |
| 48 × 48 × 44 | 1200 × 1200 × 1100 | 1219 | 1118 | 889 | 838 |
| 48 × 48 × 42 | 1200 × 1200 × 1050 | 1219 | 1067 | 889 | 813 |
| 48 × 48 × 40 | 1200 × 1200 × 1000 | 1219 | 1016 | 889 | 813 |
| 48 × 48 × 38 | 1200 × 1200 × 950 | 1219 | 965 | 889 | 813 |
| 48 × 48 × 36 | 1200 × 1200 × 900 | 1219 | 914 | 889 | 787 |
| 48 × 48 × 34 | 1200 × 1200 × 850 | 1219 | 864 | 889 | 787 |
| 48 × 48 × 32 | 1200 × 1200 × 800 | 1219 | 813 | 889 | 787 |
| 48 × 48 × 30 | 1200 × 1200 × 750 | 1219 | 762 | 889 | 762 |
| 48 × 48 × 28 | 1200 × 1200 × 700 | 1219 | 711 | 889 | 762 |
| 48 × 48 × 26 | 1200 × 1200 × 650 | 1219 | 660 | 889 | 762 |
| 48 × 48 × 24 | 1200 × 1200 × 600 | 1219 | 610 | 889 | 737 |
| 48 × 48 × 22 | 1200 × 1200 × 550 | 1219 | 559 | 889 | 737 |
Dimensions Of Lap Joint Stub Ends

Nominal Pipe Size (NPS) | DN | Outside Diameter of Barrel | Long Pattern Length, F [Notes (3), (4)] | Short Pattern Length, F [Notes (3),(4)] | Radius of Fillet, R [Note(5)] | Diameter of Lap, G [Note (6)] | |
| Max. | Min. | ||||||
| 1/2 | 15 | 22.8 | 20.5 | 76 | 51 | 3 | 35 |
| 3/4 | 20 | 28.1 | 25.9 | 76 | 51 | 3 | 43 |
| 1 | 25 | 35 | 32.6 | 102 | 51 | 3 | 51 |
| 1 1/4 | 32 | 43.6 | 41.4 | 102 | 51 | 5 | 64 |
| 1 1/2 | 40 | 49.9 | 47.5 | 102 | 51 | 6 | 73 |
| 2 | 50 | 62.4 | 59.5 | 152 | 64 | 8 | 92 |
| 2 1/2 | 65 | 75.3 | 72.2 | 152 | 64 | 8 | 106 |
| 3 | 80 | 91.3 | 88.1 | 152 | 64 | 10 | 127 |
| 3 1/2 | 90 | 104 | 100.8 | 152 | 76 | 10 | 140 |
| 4 | 100 | 116.7 | 113.5 | 152 | 76 | 11 | 157 |
| 5 | 125 | 144.3 | 140.5 | 203 | 76 | 11 | 185 |
| 6 | 150 | 171.3 | 167.5 | 203 | 89 | 13 | 218 |
| 8 | 200 | 222.1 | 218.3 | 203 | 102 | 13 | 270 |
| 10 | 250 | 277.2 | 272.3 | 254 | 127 | 13 | 324 |
| 12 | 300 | 328 | 323.1 | 254 | 152 | 13 | 381 |
| 14 | 350 | 359.9 | 354.8 | 305 | 152 | 13 | 413 |
| 16 | 400 | 411 | 405.6 | 305 | 152 | 13 | 470 |
| 18 | 450 | 462 | 456 | 305 | 152 | 13 | 533 |
| 20 | 500 | 514 | 507 | 305 | 152 | 13 | 584 |
| 22 | 550 | 565 | 558 | 305 | 152 | 13 | 641 |
| 24 | 600 | 616 | 609 | 305 | 152 | 13 | 692 |
GENERAL NOTES:
(a) All dimensions are in millimeters.
(b) Service conditions and joint construction often dictate stub end length requirements. Therefore, the purchaser must specify long or short pattern fitting when ordering.
NOTES:
(1) Gasket face finish shall be in accordance with ASME B16.5 for raised face flanges.
(2) The lap thickness T shall not be less than nominal pipe wall thickness.
(3) When short pattern stub ends are used with larger flanges in Classes 300 and 600 (PN50 & PN110) and with most sizes in Classes 900 (PN150) and higher, and when long pattern stub ends are used with larger flanges in Classes 1500 and 2500 (PN260 AND PN420), it may be necessary to increase the length of the stub ends in order to avoid covering the weld with the flange. Such increases in length shall be a matter of agreement between the manufacturer and purchaser.
(4) When special facings such as tongue and groove, male and female, etc., are employed, additional lap thickness must be provided and such additional thickness shall be in addition to (not included in) the basic length F.
(5) These dimensions conform to the radius established for lap joint flanges in ASME B16.5, Pipe Flanges and Flanged Fittings.
(6) This dimension conforms to standard machined facings shown in ASME B16.5. The back face of the lap shall be machined to conform to the surface on which it seats. Where ring joint facings are to be applied, use dimension K as given inASME B16.5.
Dimensions Of Caps

NominalPipe Size (NPS) | DN | OutsideDiameterat Bevel | Length, E [Note (1)] | Limiting Wall Thickness for Length, E | Length, E [Note (2)] |
1/2 3/4 1 1 1/4 1 1/2 2 2 1/2 3 3 1/2 4 5 6 8 10 12 14 16 18 20 22 24 26 28 30 32 34 36 38 40 42 44 46 48 | 15 20 25 32 40 50 65 80 90 100 125 150 200 250 300 350 400 450 500 550 600 650 700 750 800 850 900 950 1000 1050 1100 1150 1200 | 21.3 26.7 33.4 42.2 48.3 60.3 73.0 88.9 101.6 114.3 141.3 168.3 219.1 273.0 323.8 355.6 406.4 457 508 559 610 660 711 762 813 864 914 965 1016 1067 1118 1168 1219 | 25 25 38 38 38 38 38 51 64 64 76 89 102 127 152 165 178 203 229 254 267 267 267 267 267 267 267 305 305 305 343 343 343 | 4.57 3.81 4.57 4.83 5.08 5.59 7.11 7.62 8.13 8.64 9.65 10.92 12.70 12.70 12.70 12.70 12.70 12.70 12.70 12.70 12.70 . . . . . . . . . . . . . . . . . . . . . . . . . . . . . . . . . . . . | 25 25 38 38 38 44 51 64 76 76 89 102 127 152 178 191 203 229 254 254 305 . . . . . . . . . . . . . . . . . . . . . . . . . . . . . . . . . . . . |
GENERAL NOTES:
(a) All dimensions are in millimeters.
(b) The shape of these caps shall be ellipsoidal and shall conform to the shape requirements as given in the ASME Boiler and Pressure Vessel Code.
NOTES:
(1) Length E applies for thickness not exceeding that given in column “Limiting Wall Thickness for Length E.”
(2) Length E1 applies for thickness greater than that given in column “Limiting Wall Thickness.”
(3) For NPS 24 (DN 600) and smaller. For NPS 26 (DN 65) and larger, length E1 shall be by agreement between manufacturer and purchaser.
Dimensions Of Reducers

| Nominal Pipe Size (NPS) | DN | Outside Diameter at Bevel | End-to-End, H | Nominal Pipe Size (NPS) | DN | Outside Diameter at Bevel | End-to-End, H | ||
| Large End | Small End | Large End | Small End | ||||||
| 3/4 x 1/2 | 20 ×15 | 26.7 | 21.3 | 38 | 5 × 4 | 125 ×100 | 141.3 | 114.3 | 127 |
| 3/4 x 3/8 | 20 ×10 | 26.7 | 17.3 | 38 | 5 × 3 1/2 | 125 ×90 | 141.3 | 101.6 | 127 |
| 1 × 3/4 | 25 ×20 | 33.4 | 26.7 | 51 | 5 × 3 | 125 ×80 | 141.3 | 88.9 | 127 |
| 1 × 1/2 | 25 ×15 | 33.4 | 21.3 | 51 | 5 × 2 1/2 | 125 ×65 | 141.3 | 73 | 127 |
| 1 1/4 × 1 | 32 ×25 | 42.2 | 33.4 | 51 | 5 × 2 | 125 × 50 | 141.3 | 60.3 | 127 |
| 1 1/4 ×3/4 | 32 ×20 | 42.2 | 26.7 | 51 | 6 × 5 | 150 ×125 | 168.3 | 141.3 | 140 |
| 1 1/4 x 1/2 | 32 ×15 | 42.2 | 21.3 | 51 | 6 × 4 | 150 ×100 | 168.3 | 114.3 | 140 |
| 1 1/2 x 1 1/4 | 40 ×32 | 48.3 | 42.2 | 64 | 6 × 3 1/2 | 150 ×90 | 168.3 | 101.6 | 140 |
| 1 1/2 × 1 | 40 ×25 | 48.3 | 33.4 | 64 | 6 × 3 | 150 ×80 | 168.3 | 88.9 | 140 |
| 1 1/2 x 3/4 | 40 ×20 | 48.3 | 26.7 | 64 | 6 × 2 1/2 | 150 ×65 | 168.3 | 73 | 140 |
| 1 1/2 x 1/2 | 40 ×15 | 48.3 | 21.3 | 64 | 8 × 6 | 200 ×150 | 219.1 | 168.3 | 152 |
| 2 ×1 1/2 | 50 ×40 | 60.3 | 48.3 | 76 | 8 × 5 | 200 ×125 | 219.1 | 141.3 | 152 |
| 2 ×1 1/4 | 50 ×32 | 60.3 | 42.2 | 76 | 8 × 4 | 200 ×100 | 219.1 | 114.3 | 152 |
| 2 × 1 | 50 ×25 | 60.3 | 33.4 | 76 | 8 × 3 1/2 | 200 ×90 | 219.1 | 101.6 | 152 |
| 2 ×3/4 | 50 ×20 | 60.3 | 26.7 | 76 | 10 × 8 | 250 ×200 | 273 | 219.1 | 178 |
| 2 1/2 x 2 | 65 ×50 | 73 | 60.3 | 89 | 10 × 6 | 250 ×150 | 273 | 168.3 | 178 |
| 2 1/2 x 1 1/2 | 65 ×40 | 73 | 48.3 | 89 | 10 × 5 | 250 x 125 | 273 | 141.3 | 178 |
| 2 1/2 x 1 1/4 | 65 ×32 | 73 | 42.2 | 89 | 10 × 4 | 250 ×100 | 273 | 114.3 | 178 |
| 2 1/2 × 1 | 65 ×25 | 73 | 33.4 | 89 | 12 × 10 | 300 ×250 | 323.8 | 273 | 203 |
| 3 ×2 1/2 | 80 ×65 | 88.9 | 73 | 89 | 12 × 8 | 300 ×200 | 323.8 | 219.1 | 203 |
| 3 × 2 | 80 ×50 | 88.9 | 60.3 | 89 | 12 × 6 | 300 ×150 | 323.8 | 168.3 | 203 |
| 3 × 1 1/2 | 80 ×40 | 88.9 | 48.3 | 89 | 12 × 5 | 300 ×125 | 323.8 | 141.3 | 203 |
| 3 × 1 1/4 | 80 ×32 | 88.9 | 42.2 | 89 | 14 × 12 | 350 ×300 | 355.6 | 323.8 | 330 |
| 3 1/2 × 3 | 90 ×80 | 101.6 | 88.9 | 102 | 14 × 10 | 350 ×250 | 355.6 | 273 | 330 |
| 3 1/2 x 2 1/2 | 90 ×65 | 101.6 | 73 | 102 | 14 × 8 | 350 ×200 | 355.6 | 219.1 | 330 |
| 3 1/2 × 2 | 90 ×50 | 101.6 | 60.3 | 102 | 14 × 6 | 350 ×150 | 355.6 | 168.3 | 330 |
| 3 1/2 × 1 1/2 | 90 ×40 | 101.6 | 48.3 | 102 | 16 × 14 | 400 ×350 | 406.4 | 355.6 | 356 |
| 3 1/2 x 2 1/4 | 90 ×32 | 101.6 | 42.2 | 102 | 16 × 12 | 400 ×300 | 406.4 | 323.8 | 356 |
| 4 × 3 1/2 | 100 ×90 | 114.3 | 101.6 | 102 | 16 × 10 | 400 ×250 | 406.4 | 273 | 356 |
| 4 × 3 | 100 ×80 | 114.3 | 88.9 | 102 | 16 × 8 | 400 ×200 | 406.4 | 219.1 | 356 |
| 4 × 2 1/2 | 100 ×65 | 114.3 | 73 | 102 | 18 × 16 | 450 ×400 | 457 | 406.4 | 381 |
| 4 × 2 | 100 ×50 | 114.3 | 60.3 | 102 | 18 × 14 | 450 ×350 | 457 | 355.6 | 381 |
| 4 ×1 1/2 | 100 ×40 | 114.3 | 48.3 | 102 | 18 × 12 | 450 ×300 | 457 | 323.8 | 381 |
| 18 × 10 | 450 ×250 | 457 | 273 | 381 | |||||
| 20 × 18 | 500 × 450 | 508 | 457 | 508 | 36 × 34 | 900 × 850 | 914 | 864 | 610 |
| 20 × 16 | 500 × 400 | 508 | 406.4 | 508 | 36 × 32 | 900 × 800 | 914 | 813 | 610 |
| 20 × 14 | 500 × 350 | 508 | 355.6 | 508 | 36 × 30 | 900 × 750 | 914 | 762 | 610 |
| 20 × 12 | 500 × 300 | 508 | 323.8 | 508 | 36 × 28 | 900 × 700 | 914 | 660 | 610 |
| 36 × 26 | 900 × 650 | 914 | 610 | 610 | |||||
| 22 × 20 | 550 × 500 | 559 | 508 | 508 | |||||
| 22 × 18 | 550 × 450 | 559 | 457 | 508 | 38 × 36 | 950 × 900 | 965 | 914 | 610 |
| 22 × 16 | 550 × 400 | 559 | 406.4 | 508 | 38 × 34 | 950 × 850 | 965 | 864 | 610 |
| 22 × 14 | 550 × 350 | 559 | 355.4 | 508 | 38 × 32 | 950 × 800 | 965 | 813 | 610 |
| 24 × 22 | 600 × 550 | 610 | 559 | 508 | 38 × 30 | 950 × 750 | 965 | 762 | 610 |
| 24 × 20 | 600 × 500 | 610 | 508 | 508 | 38 × 28 | 950 × 700 | 965 | 711 | 610 |
| 24 × 18 | 600 × 450 | 610 | 457 | 508 | 38 × 26 | 950 × 650 | 965 | 660 | 610 |
| 24 × 16 | 600 × 400 | 610 | 406.4 | 508 | 40 × 38 | 1000 × 950 | 1016 | 965 | 610 |
| 26 × 24 | 650 × 600 | 660 | 610 | 610 | 40 × 34 | 1000 × 850 | 1016 | 864 | 610 |
| 26 × 22 | 650 × 550 | 660 | 559 | 610 | 40 × 32 | 1000 × 800 | 1016 | 813 | 610 |
| 26 × 20 | 650 × 500 | 660 | 508 | 610 | 40 × 30 | 1000 × 750 | 1016 | 762 | 610 |
| 26 × 18 | 650 × 450 | 660 | 457 | 610 | 40 × 36 | 1000 × 900 | 1016 | 914 | 610 |
| 28 × 26 | 700 × 650 | 711 | 660 | 610 | 42 × 40 | 1050 × 1000 | 1067 | 1016 | 610 |
| 42 × 38 | 1050 × 950 | 1067 | 965 | 610 | |||||
| 28 × 24 | 700 × 600 | 711 | 610 | 610 | 42 × 36 | 1050 × 900 | 1067 | 914 | 610 |
| 28 × 22 | 700 × 550 | 711 | 508 | 610 | 42 × 34 | 1050 × 850 | 1067 | 864 | 610 |
| 28 × 20 | 700 × 500 | 711 | 457 | 610 | 42 × 32 | 1050 × 800 | 1067 | 813 | 610 |
| 30 × 28 | 750 × 700 | 762 | 711 | 610 | 42 × 30 | 1050 × 750 | 1067 | 762 | 610 |
| 30 × 26 | 750 × 650 | 762 | 660 | 610 | 44 × 42 | 1100 × 1050 | 1118 | 1067 | 610 |
| 30 × 24 | 750 × 600 | 762 | 610 | 610 | 44 × 40 | 1100 × 1000 | 1118 | 1016 | 610 |
| 30 × 22 | 750 × 550 | 762 | 508 | 610 | 44 × 38 | 1100 × 950 | 1118 | 965 | 610 |
| 32 × 30 | 800 × 750 | 813 | 762 | 610 | 44 × 36 | 1100 × 900 | 1118 | 914 | 610 |
| 32 × 28 | 800 × 700 | 813 | 711 | 610 | 46 × 44 | 1150 × 1100 | 1168 | 1118 | 711 |
| 32 × 26 | 800 × 650 | 813 | 660 | 610 | 46 × 42 | 1150 × 1050 | 1168 | 1067 | 711 |
| 32 × 24 | 800 × 600 | 813 | 610 | 610 | 46 × 40 | 1150 × 1000 | 1168 | 1016 | 711 |
| 34 × 32 | 850 × 800 | 864 | 813 | 610 | 46 × 38 | 1150 × 950 | 1168 | 965 | 711 |
| 34 × 30 | 850 × 750 | 864 | 762 | 610 | 48 × 46 | 1200 × 1150 | 1219 | 1168 | 711 |
| 34 × 28 | 850 × 700 | 864 | 660 | 610 | 48 × 44 | 1200 × 1100 | 1219 | 1118 | 711 |
| 34 × 26 | 850 × 650 | 864 | 610 | 610 | 48 × 42 | 1200 × 1050 | 1219 | 1067 | 711 |
| 48 × 40 | 1200 × 1000 | 1219 | 1016 | 711 | |||||
GENERAL NOTE: All dimensions are in millimeters.
NOTE:
(1) While the figure illustrates a “bell-shaped” reducer, the use of a conical reducer is not prohibited.